Foram encontradas 2.308 questões.
A resistência R de um sensor de temperatura do tipo RTD é dada por R = R0.(1 + !$ \alpha !$.(T – T0)), onde R0 é a resistência a uma temperatura T=T0. Define-se a sensibilidade de um sensor como a taxa de variação de sua grandeza de saída em relação à de entrada. Dado que um sensor RTD apresenta resistência de 100!$ \Omega !$ a 0 ºC e de 100,2!$ \Omega !$ a 50 ºC, qual é a sua sensibilidade?
Provas

A figura acima apresenta um medidor de temperatura que utiliza termopares. A sensibilidade do conjunto é de 55!$ \mu !$V/K. Considerando que as medidas nos termopares T1 e T2 correspondem, respectivamente, a 25 ºC e 5 ºC, qual a leitura no voltímetro?
Provas

Na figura acima é apresentado um medidor de vazão muito utilizado em indústrias. A medida é obtida em função da força de arrasto (FA) exercida pelo fluido no flutuador, do peso do flutuador (P) e do empuxo (E). O flutuador é colocado dentro de um tubo cônico na posição vertical, de modo que a posição de equilíbrio pode ser relacionada com a vazão do fluido. A expressão que relaciona as grandezas que atuam no flutuador é
Provas

A figura ilustra um circuito digital contendo três sinais de entrada. Para que a expressão booleana do sinal !$ \text{D} !$ seja !$ \text{ABC} + (\overline{\text{A}} + \overline{\text{B}})\overline{\text{C}} !$, a porta lógica que deverá ser inserida no quadrado pontilhado da figura é
Provas

A figura ilustra um circuito digital, onde as portas lógicas são do tipo coletor aberto (open colector). Considerando que o resistor R esteja corretamente dimensionado para que o nível lógico 1 corresponda a tensões na faixa de +2V até +5V, e para que o nível lógico 0 corresponda a tensões na faixa de 0V até +0,8V, a expressão lógica do sinal de saída S será
Provas

A figura ilustra o Mapa de Karnaugh do sinal digital Y em função dos sinais binários A, B e C, que se encontram disponíveis em terminais existentes num painel elétrico. O técnico dispõe apenas de integrados contendo portas NAND com duas entradas. O número mínimo de portas desse tipo necessárias para implementar o sinal Y é
Provas

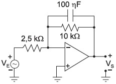
O esquema da figura acima é tipicamente o de um
Provas

A figura ilustra um circuito eletrônico contendo um amplificador operacional, considerado ideal. A fonte de tensão VE é do tipo senoidal com freqüência !$ \omega !$ = 1.000 rad/s. Levando-se em conta apenas os ângulos no intervalo [–180º,+180º], o valor absoluto da defasagem entre os sinais senoidais de entrada VE e de saída VS é, aproximadamente,
Provas

A figura apresenta um circuito contendo uma fonte de tensão senoidal com amplitude de pico de 15V, além de um diodo comum e um diodo zener de 9V, sendo ambos considerados ideais. Com relação à tensão VR, seu valor mínimo, em volts, será
Provas

O circuito da figura acima é um regulador de tensão. A tensão Vin da fonte varia, de forma aleatória, entre 18V e 24V. A tensão nominal do zener é de 9,2V, o ganho !$ \beta !$ do transistor é 10 e a tensão VBE é 0,6V quando o transistor opera na região ativa.
Considerando que a resistência RS vale 40!$ \Omega !$ e que o zener, em sua região linear, opera apenas com correntes entre 0,1A e 0,3A, qual será a corrente máxima, em A, que a fonte pode fornecer a carga RL?
Provas
Caderno Container