Foram encontradas 2.308 questões.
Considere o circuito trifásico Y-Y da figura abaixo, com impedância de carga balanceada Z !$ \angle \theta !$.

Sendo V01 = V !$ \angle !$0º volts rms, V02 = V !$ \angle !$-120º volts rms e V03 = V !$ \angle !$120º volts rms, então a potência média liberada para a carga é dada por
Provas
O resultado da soma em hexadecimal (2A + F) é representado no sistema binário por
Provas
O sistema de equações lineares Ymx1 = Amxn !$ \cdot !$ Xnx1, no qual Ymx1 é conhecido, tem solução Xnx1 = Mnxm !$ \cdot !$ Ymx1, uma vez determinada a matriz M, dada por
Provas
Dados os vetores
!$ \vec{\text{X}}_1^\text{ T} = \begin{bmatrix} \text{x}_1 & \text{y}_1 & \text{z}_1 \end{bmatrix} !$, !$ \vec{\text{X}}_2^\text{ T} = \begin{bmatrix} \text{x}_2 & \text{y}_2 & \text{z}_2 \end{bmatrix} !$, !$ \vec{\text{X}}_3^\text{ T} = \begin{bmatrix} \text{x}_3 & \text{y}_3 & \text{z}_3 \end{bmatrix} !$
a forma matricial
!$ \begin{bmatrix} \text{x}_2 & \text{y}_3 & \text{z}_3 \end{bmatrix} \ \begin{bmatrix} 0 & -\text{z}_1 & \text{y}_1 \\ \text{z}_1 & 0 & -\text{x}_1 \\ -\text{y}_1 & \text{x}_1 & 0 \end{bmatrix} \ \begin{bmatrix} \text{x}_2 \\ \text{y}_2 \\ \text{z}_2 \end{bmatrix} !$
é equivalente ao produto
Provas
Considere uma função P(t) = f(t).v(t). Sendo q(t) = m.v(t), com m = cte, e q(t)=!$ \int !$f(t)dt , então E(t)=!$ \int !$P(t)dt é dada por
Provas
Considere um trem de engrenagens no qual as velocidades angulares de entrada (!$ \omega !$1) e de saída (!$ \omega !$2) estão vinculadas pela relação de transmissão N de acordo com
!$ \omega !$2 = N !$ \omega !$1
Supondo que a relação de transmissão varie no tempo com taxa n = dN/dt, as acelerações angulares de entrada (!$ \alpha !$1) e de saída (!$ \alpha !$2) estão relacionadas por
Provas
Segundo as NBR ISO 9000/2000 e NBR ISO 9004/2000, são princípios de gestão da qualidade todos os itens abaixo, EXCETO
Provas
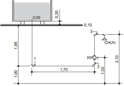
Considere que a instalação hidráulica predial abaixo conduz uma vazão de 0,20 !$ \ell !$/s, sendo que o ramal 1-2 possui diâmetro de 1” e perda de carga unitária 0,0135 m/m, enquanto o sub-ramal 2-3 possui diâmetro 3/4” e perda de carga unitária 0,0560 m/m.

|
Singularidades |
Comprimentos equivalentes |
|
Joelho de 90º com redução de 1” para 3/4” |
0,8 m |
|
Joelho de 90º de 3/4” |
0,7 m |
|
Registro de globo aberto 3/4” |
6,7 m |
Desprezando os efeitos da carga cinética e as perdas de cargas a partir do ponto 3 (logo após o 3º joelho de 90º), e considerando a tabela acima, se a pressão disponível no ponto 1 (logo após o 1º joelho de 90º) é igual a 2,659 m.c.a., então a pressão disponível no chuveiro, em m.c.a, é
Provas
De acordo com a NBR 13752:1993 (Perícias de engenharia na construção civil), define-se decrepitude como sendo a depreciação de um bem decorrente
Provas
De acordo com a NBR 5674:1999 (Manutenção de edificações - Procedimento), considere as afirmativas a seguir.
I - O projeto de um serviço de manutenção deve incluir, entre outros, as especificações detalhadas dos materiais, os procedimentos de execução e os desenhos e plantas, incluindo detalhes.
II - Todos os serviços de manutenção devem ser definidos em planos de curto, médio e longo prazos, de maneira a minimizar a interferência dos serviços de manutenção no uso da edificação e a interferência dos usuários sobre a execução dos serviços de manutenção.
III - Para a programação dos serviços de manutenção devem ser consideradas, entre outras, as solicitações e reclamações dos usuários e também as restrições climáticas e ambientais.
IV - A contratação de serviços de terceiros para manutenção de edificações pode ser feita com base em contrato global ou por administração, não podendo ser baseada em preço unitário.
Estão CORRETAS as afirmativas
Provas
Caderno Container