Foram encontradas 1.485 questões.
Considere a seguinte figura:

No circuito lógico mostrado na figura acima, a expressão booleana mais simples de Y, em função de A e B, é:
Provas
Observe a figura a sequir.

A figura ilustra um circuito contendo 10 flip-flops J-K encadeados e o gráfico do sinal VIN(t), cujo período T é de 0,01 ms. A tensão de +5V corresponde ao nível lógico 1 e a tensão de 0V, ao nível lógico 0. O período, em ms, do sinal VO(t) é, aproximadamente
Provas
Consedere a figura e os dados a sequir.

Sabendo que o chip 74169 é um contador crescente-decrescente, quantos estados terá a seqüência permanente do circuito acima, que será sempre repetida?
Provas

I - Quando as entradas A e B forem iguais a +5 V, o transistor Q1 estará cortado.
II - O transistor Q4 é útil para permitir a drenagem de corrente pela saída S quando existir uma carga resistiva conectada entre S e terra.
III - Quando as entradas A e B forem iguais a +2,8 V, o transistor Q3 estará em saturação.
A(s) afirmativa(s) correta(s) é(são):
Provas
A função
ao ser minimizada em termos de soma de produtos, pode ser implementada, sem contar as portas inversoras utilizadas, com:
Provas
Observe a figura a seguir.

A figura ilustra um circuito alimentado por uma fonte de tensão senoidal, cujo valor de pico é superior à tensão do diodo zener Z1, que pode ser considerado ideal. O sinal de tensão Vs(t) deverá ter, aproximadamente, a forma:
Provas
Observe a fiqura a sequir:

A figura acima ilustra um multiplexador de 4 entradas e 1 saída, onde S1 é o bit mais significativo do sinal de controle. O Mapa de Karnaugh que corresponde ao sinal lógico Y é:
Provas
Sobre o emprego do Transistor Bipolar de Junção (TBJ) - tipo NPN, na configuração de amplificador de tensão conhecido como Seguidor de Emissor, com resistência no emissor, considere as seguintes afirmativas:
I - o ganho de tensão é aproximadamente igual a um;
II - a tensão de saída é defasada de 180º da de entrada;
III - permite que o amplificador tenha alta impedância de entrada e baixa na saída.
A(s) afirmativa(s) correta(s) é(são):
Provas
Um técnico, numa emergência, precisa substituir um resistor de 5 kΩ e outro de 20 kΩ, instalados em um circuito elétrico, onde consomem, respectivamente, W1 e W2 watts. Apenas resistores de 10 kΩ estão disponíveis no laboratório. O técnico terá que usar uma associação de 2 resistores de 10 kΩ para cada resistor trocado. Após a substituição, as potências consumidas por cada resistor de 10 kΩ da primeira associação e da segunda associação serão, respectivamente:
Provas
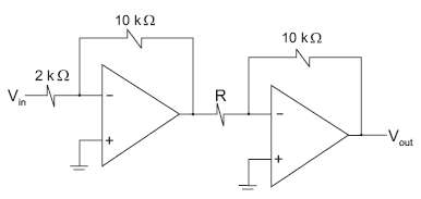
A figura abaixo apresenta um circuito contendo amplificadores operacionais considerados ideais.

para que o ganho tatal seja iqual a 20,o valor de R,em K
deve ser:
Provas
Caderno Container