Foram encontradas 3.569 questões.
Observe a junta soldada abaixo:

A região denominada zona de fusão é identificada em:
Provas
O processo de soldagem a arco elétrico que utiliza um gás ativo para produzir a atmosfera de soldagem é o:
Provas
O resultado do ensaio de dureza obtido a partir da leitura do inverso da profundidade de penetração é utilizado no método:
Provas
Os métodos de ensaio de dureza que utilizam penetradores esféricos para verificar as propriedades dos aços são:
Provas
Observe o circuito pneumático na figura abaixo e responda a questão.

O elemento de trabalho utilizado no circuito é:
Provas
Observe o circuito pneumático na figura abaixo e responda a questão.

A representação algébrica dos movimentos a partir do acionamento manual é:
Provas
Observe o circuito pneumático na figura abaixo e responda a questão.

O controle de velocidade pode ser ajustado no(s) seguinte(s) movimento(s):
Provas
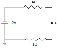
Observe o circuito elétrico abaixo e responda a questão.

O potencial elétrico no ponto “A”, em V, é igual a:
Provas
Observe o circuito elétrico abaixo e responda a questão.

A corrente que circula no circuito, em A, é igual a:
Provas
A manutenção que acompanha o desgaste da peça, visando a determinar o momento mais propício da substituição, é a:
Provas
Caderno Container