Magna Concursos

Foram encontradas 3.569 questões.

78704 Ano: 2005
Disciplina: Engenharia Elétrica
Banca: CESGRANRIO
Orgão: Petrobrás

O método dos dois wattímetros permite a medição da potência ativa de circuitos trifásicos, sem condutor de neutro, pela soma das leituras (W1 e W2) de cada um dos dois wattímetros.

Considere as afirmações.

I - As leituras dos wattímetros (W1 e W2) devem ser sempre consideradas positivas para a obtenção da potência ativa total dada por W1 + W2.

II - Este método pode ser aplicado no caso de circuitos simétricos desequilibrados.

III - O método dos dois wattímetros também pode ser aplicado quando existe condutor de neutro.

É(São) verdadeira(s) a(s) afirmação(ões):

 

Provas

Questão presente nas seguintes provas
78703 Ano: 2005
Disciplina: Engenharia Elétrica
Banca: CESGRANRIO
Orgão: Petrobrás

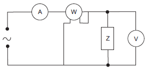
Enunciado 3322485-1

O circuito acima foi montado para medir de maneira indireta o valor da resistência R da impedância Z = R + jX, onde X é o valor da reatância. Constatou-se que o voltímetro V estava com defeito, indicando um valor de tensão não confiável. Sabendo-se que o valor de X não é desprezível, que o amperímetro A indicou 5 ampères (rms) e que o wattímetro W indicou 100 !$ \sqrt3 !$ watts, é correto afirmar que o valor da resistência, em ohms, é:

 

Provas

Questão presente nas seguintes provas
78702 Ano: 2005
Disciplina: Engenharia Elétrica
Banca: CESGRANRIO
Orgão: Petrobrás

Observe a figura abaixo.

Enunciado 3322484-1

Um anel de cobre, com 1 cm de diâmetro e resistência de 1 !$ Ω !$, encontra-se no centro de um eletromagneto, cujos pólos são cilíndricos, com 10 cm de diâmetro. O campo magnético, na região central, foi ajustado para 2T. Um dispositivo mecânico permite o movimento vertical de oscilação do anel com velocidade de 5sen(10t) cm/s, como sugerido na figura. Durante o movimento, o anel permanece sempre na horizontal, isto é, paralelo aos pólos do eletromagneto. O valor da corrente que circula no anel é:

 

Provas

Questão presente nas seguintes provas
78701 Ano: 2005
Disciplina: Engenharia Elétrica
Banca: CESGRANRIO
Orgão: Petrobrás

Observe a figura abaixo.

Enunciado 3322483-1

A figura ilustra um circuito RL série, onde o indutor é considerado ideal, alimentado por uma fonte de tensão alternada, de valor eficaz 100V. A potência ativa, em W, dissipada no circuito é:

 

Provas

Questão presente nas seguintes provas
78700 Ano: 2005
Disciplina: Engenharia Elétrica
Banca: CESGRANRIO
Orgão: Petrobrás

Um circuito CA monofásico é alimentado pela fonte de tensão !$ v(t)=127 \sqrt2 \sin(377t)V !$ e a corrente circulante é de !$ i(t)=10 \sqrt2 \sin \left(377 t -{\large{\pi \over 6}} \right) !$ A, onde t representa o tempo em segundos. Os valores de potência ativa, reativa e aparente, respectivamente, são:

 

Provas

Questão presente nas seguintes provas
78699 Ano: 2005
Disciplina: Engenharia Elétrica
Banca: CESGRANRIO
Orgão: Petrobrás

Observe a figura abaixo.

Enunciado 3322481-1

A figura apresenta um circuito trifásico com tensões de linha (VL) equilibradas, de valor eficaz 220 V , conectadas em Y a três impedâncias iguais e de valor, em !$ Ω !$, Z = 12 + j 5 . A potência reativa total nas 3 fases, em var, aproximadamente, é:

 

Provas

Questão presente nas seguintes provas
78698 Ano: 2005
Disciplina: Engenharia Elétrica
Banca: CESGRANRIO
Orgão: Petrobrás

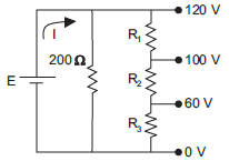
Observe a figura que se segue:

Enunciado 3322480-1

No circuito da figura, o resistor R2 dissipa uma potência de 96 W. O valor da corrente I, em ampères, fornecida pela fonte, é:

 

Provas

Questão presente nas seguintes provas
78697 Ano: 2005
Disciplina: Engenharia Eletrônica
Banca: CESGRANRIO
Orgão: Petrobrás

Observe a figura abaixo.

Enunciado 3322479-1

Assinale a opção que corresponde ao corte completo da vista lateral da figura.

 

Provas

Questão presente nas seguintes provas
78696 Ano: 2005
Disciplina: Engenharia Elétrica
Banca: CESGRANRIO
Orgão: Petrobrás

Observe a figura abaixo.

Enunciado 3322478-1

Fonte: Instalações Elétricas Industriais – João Mamede Filho, Ed. LTC, 6ª Ed.

Esta figura representa o diagrama unifilar de uma instalação industrial hipotética, onde estão mostrados alguns dispositivos comumente utilizados em instalações elétricas deste tipo. Sobre este diagrama é correto afirmar que:

 

Provas

Questão presente nas seguintes provas
78695 Ano: 2005
Disciplina: Engenharia Elétrica
Banca: CESGRANRIO
Orgão: Petrobrás

Enunciado 3322477-1

A figura acima mostra um circuito CA com componentes ideais, onde a tensão sobre o capacitor tem valor eficaz de 400V e a corrente I tem o valor eficaz de 10 A.

Sabendo-se que a reatância indutiva é de 16 !$ Ω !$ e a reatância capacitiva não é fornecida, o valor eficaz da tensão da fonte de alimentação E, em Volts, é:

 

Provas

Questão presente nas seguintes provas