Foram encontradas 280 questões.
Alguns fisioterapeutas fazem o uso de aparelhos com molas no tratamento de seus pacientes. Para um determinado tratamento, uma mola de comprimento natural igual a 30 cm e constante elástica 100 N/m, é presa a um suporte fixo sobre uma mesa, como mostra a figura 1.
Na extremidade livre, prende-se uma bola de borracha, que deve ser puxada pelo paciente até o ponto P da mesa a 70 cm do suporte como mostra a figura 2.

Assim que a bola de borracha chega ao ponto P, ela deve ser liberada, ou seja, o paciente deve largar a bola. Na volta, o trabalho realizado pela força elástica enquanto a bola se desloca do ponto P até o ponto Q localizado a 60 cm do suporte é de
Provas
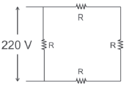
O forno elétrico utilizado para esterilizar instrumentos cirúrgicos, constituídos por quatro resistores, todos de mesma resistência R, associados como ilustra o esquema abaixo, desenvolve uma potência P quando ligado sob 110 V.

Por necessidade do serviço, esse forno foi transferido para uma ala onde, em qualquer tomada, a tensão é 220 V.
Para que, sob 220 V, o forno desenvolva a mesma potência P, os resistores devem ser associados, por exemplo, como mostra o esquema:
Provas
- Mecânica ClássicaDinâmicaQuantidade de Movimento, Impulso e ColisõesImpulso e Quantidade de Movimento
Em uma seção de fisioterapia, um dos exercícios propostos,
consiste em rebater uma bola de tênis de massa igual a 50 g com
uma raquete. Ao entrar em contato com a raquete, a velocidade
da bola é perpendicular a ela e de módulo igual a 36 km/h.
Após a rebatida, ao perder o contato com a raquete, a velocidade
da bola tem a mesma direção que
, mas o sentido
contrário, e seu módulo é igual ao de
.
Suponha que o módulo da força
exercida pela raquete sobre a
bola varia em função do tempo durante o contato, como mostra
o gráfico abaixo

Sendo assim, o valor máximo do módulo da força
durante o
contato foi:
Provas
O lustre onde se encontra a lâmpada que ilumina o laboratório está preso ao teto por um fio de 60 cm de comprimento que, com o lustre em repouso, pende verticalmente, como ilustra a figura 1. Para melhor iluminar a bancada de trabalho, amarra-se ao lustre outro fio, com 80 cm de comprimento, que é preso ao teto de forma tal que fica perpendicular ao primeiro, como ilustra a figura 2.

considere os fios ideais. A razão T1/T2 entre as tensões no fio de 60 cm na situação ilustrada na figura 1 (T1) e na situação ilustrada na figura 2 (T2) é de
Provas
A tabela a seguir informa o calor específico de algumas substâncias.

Consultando a tabela, analise as afirmativas a seguir.
I. Atualmente, nos consultórios dentários, são utilizados motores de alta rotação. O atrito entre a broca e o dente provocaria um brutal aumento na temperatura que seria impossível suportar. Para que isso não ocorra, durante o contato entre a broca e o dente, é lançado sobre este um jato contínuo de água.
II. Para resfriar uma peça aquecida, é usual mergulhá-la em água (líquida). Seria muito mais eficiente, para resfriá-la, mergulhá-la em mercúrio. Só não se faz isso porque o mercúrio, além de emitir vapores tóxicos, custa muito caro.
III. Para esterilizar dois instrumentos cirúrgicos de massas iguais, um de ferro outro de alumínio, inicialmente à temperatura ambiente, colocam-se os dois em um forno durante o mesmo intervalo de tempo, de modo que ambos recebam a mesma quantidade de calor. Nesse caso, a temperatura do instrumento de ferro aumentará o dobro do que aumentar a temperatura do instrumento de alumínio.
Assinale:
Provas
Dois pacientes precisam receber uma medicação composta pela mistura de dois remédios líquidos, (1) de densidade d1 = 0,8 g/cm3 e (2) de densidade d2 = 1,20 g/cm3, mas em proporções diferentes. Para o paciente A, a medicação deve ser preparada misturando-se volumes iguais dos remédios (1) e (2). Já o paciente B, a medicação deve ser preparada misturando-se massas iguais dos remédios (1) e (2).
Suponha que, em ambos os casos, os resultados das misturas sejam medicações homogêneas de densidades dA, para o paciente A, e dB, para o paciente B. A razão dB/dA é
Provas

Provas

A seguir, pesa-se no mesmo dinamômetro, o mesmo recipiente contendo a mesma quantidade de água em cujo interior, totalmente submersa, está a mesma esfera metálica, porém presa por dois fios de volumes desprezíveis à borda do próprio recipiente, como mostra a figura 2. Nesse caso, a indicação no dinamômetro é P’.

Provas
- EletromagnetismoElétricaEletricidade
- EletromagnetismoElétricaForça Elétrica, Campo Elétrico e Eletrização

Provas
- Ação penal e ação civil ex delictoPeça AcusatóriaDenúncia e Queixa
- Ação penal e ação civil ex delictoAção Penal
Provas
Caderno Container