Foram encontradas 368 questões.
- EletromagnetismoMagnetismoIndução e Transformadores Elétricos
- EletromagnetismoElétricaEletricidade
- EletromagnetismoElétricaEletrodinâmica
Na questão , caso seja necessário, considere as seguintes informações.
1) As grandezas vetoriais estão representadas por letras em negrito. Por exemplo, a letra F (em negrito) indica o vetor força, enquanto a letra F (sem negrito) indica o módulo do vetor força.
2) As expressões trigonométricas estão abreviadas da seguinte forma:
seno = sen
cosseno = cos
tangente = tg
3) A aceleração da gravidade está representada por g = 10 m/s2.
Assinale a alternativa que apresenta, aproximadamente, a quantidade de carga que, fluindo pelo fio, causará um salto dele até a altura de 10,0 cm em relação à posição inicial.
Provas
Na questão , caso seja necessário, considere as seguintes informações.
1) As grandezas vetoriais estão representadas por letras em negrito. Por exemplo, a letra F (em negrito) indica o vetor força, enquanto a letra F (sem negrito) indica o módulo do vetor força.
2) As expressões trigonométricas estão abreviadas da seguinte forma:
seno = sen
cosseno = cos
tangente = tg
3) A aceleração da gravidade está representada por g = 10 m/s2.

As partículas partem do centro da estrutura e, à medida que são aceleradas, suas órbitas circulares tornam-se cada vez maiores.
A respeito do cíclotron e considerando que a massa do próton é igual a 1,6 . 10 –27 kg e que o cíclotron utiliza um campo magnético de 2,0 T para acelerar prótons em uma órbita de raio máximo igual a 1,0 m, assinale a alternativa que apresenta a energia, em MeV, de um próton que emerge do cíclotron.
Provas
Na questão , caso seja necessário, considere as seguintes informações.
1) As grandezas vetoriais estão representadas por letras em negrito. Por exemplo, a letra F (em negrito) indica o vetor força, enquanto a letra F (sem negrito) indica o módulo do vetor força.
2) As expressões trigonométricas estão abreviadas da seguinte forma:
seno = sen
cosseno = cos
tangente = tg
3) A aceleração da gravidade está representada por g = 10 m/s2.
em que a e ß são constantes, z é uma distância, k é a constante de Boltzman e θ é a temperatura. As dimensões de ß são
Provas
- EletromagnetismoMagnetismoIndução e Transformadores Elétricos
- EletromagnetismoMagnetismoMagnetismo Elementar
Na questão , caso seja necessário, considere as seguintes informações.
1) As grandezas vetoriais estão representadas por letras em negrito. Por exemplo, a letra F (em negrito) indica o vetor força, enquanto a letra F (sem negrito) indica o módulo do vetor força.
2) As expressões trigonométricas estão abreviadas da seguinte forma:
seno = sen
cosseno = cos
tangente = tg
3) A aceleração da gravidade está representada por g = 10 m/s2.
Provas
- EletromagnetismoElétricaCircuitos Elétricos Especiais: Leis de Kirchhoff e Ponte de Wheatstone
- EletromagnetismoElétricaEletricidade
Na questão , caso seja necessário, considere as seguintes informações.
1) As grandezas vetoriais estão representadas por letras em negrito. Por exemplo, a letra F (em negrito) indica o vetor força, enquanto a letra F (sem negrito) indica o módulo do vetor força.
2) As expressões trigonométricas estão abreviadas da seguinte forma:
seno = sen
cosseno = cos
tangente = tg
3) A aceleração da gravidade está representada por g = 10 m/s2.

Considerando que uma bateria de força eletromotriz igual a 32 V com resistência interna igual a 4,0 Ω é conectada a uma rede de resistores, conforme o circuito apresentado, qual é o valor de R para que a máxima potência seja entregue à rede de resistores e qual é o valor dessa máxima potência?
Provas
- EletromagnetismoElétricaCircuitos Elétricos Especiais: Leis de Kirchhoff e Ponte de Wheatstone
- EletromagnetismoElétricaEletricidade
Na questão , caso seja necessário, considere as seguintes informações.
1) As grandezas vetoriais estão representadas por letras em negrito. Por exemplo, a letra F (em negrito) indica o vetor força, enquanto a letra F (sem negrito) indica o módulo do vetor força.
2) As expressões trigonométricas estão abreviadas da seguinte forma:
seno = sen
cosseno = cos
tangente = tg
3) A aceleração da gravidade está representada por g = 10 m/s2.

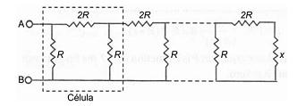
O circuito acima, que tem essa característica, é constituído por um grande número de células.
Considerando R = 2,00 Ω e √3 , 1 3 = , assinale a alternativa que apresenta o valor aproximado da resistência x no circuito da figura, de tal forma que a resistência equivalente entre os pontos A e B seja independente no número de células.
Provas
Na questão , caso seja necessário, considere as seguintes informações.
1) As grandezas vetoriais estão representadas por letras em negrito. Por exemplo, a letra F (em negrito) indica o vetor força, enquanto a letra F (sem negrito) indica o módulo do vetor força.
2) As expressões trigonométricas estão abreviadas da seguinte forma:
seno = sen
cosseno = cos
tangente = tg
3) A aceleração da gravidade está representada por g = 10 m/s2.
Assinale a alternativa que apresenta a resistência do material que preenche a lacuna entre os dois eletrodos.
Provas
- EletromagnetismoElétricaCircuitos Elétricos Especiais: Leis de Kirchhoff e Ponte de Wheatstone
- EletromagnetismoElétricaEletricidade
Na questão , caso seja necessário, considere as seguintes informações.
1) As grandezas vetoriais estão representadas por letras em negrito. Por exemplo, a letra F (em negrito) indica o vetor força, enquanto a letra F (sem negrito) indica o módulo do vetor força.
2) As expressões trigonométricas estão abreviadas da seguinte forma:
seno = sen
cosseno = cos
tangente = tg
3) A aceleração da gravidade está representada por g = 10 m/s2.

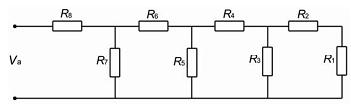
Considerando todos os outros fios ideais, assinale a alternativa que apresenta a resistência equivalente do circuito entre os pontos A e B.
Provas
- EletromagnetismoElétricaCircuitos Elétricos Especiais: Leis de Kirchhoff e Ponte de Wheatstone
- EletromagnetismoElétricaEletricidade
Na questão , caso seja necessário, considere as seguintes informações.
1) As grandezas vetoriais estão representadas por letras em negrito. Por exemplo, a letra F (em negrito) indica o vetor força, enquanto a letra F (sem negrito) indica o módulo do vetor força.
2) As expressões trigonométricas estão abreviadas da seguinte forma:
seno = sen
cosseno = cos
tangente = tg
3) A aceleração da gravidade está representada por g = 10 m/s2.

Assinale a alternativa correta.
Provas
Na questão , caso seja necessário, considere as seguintes informações.
1) As grandezas vetoriais estão representadas por letras em negrito. Por exemplo, a letra F (em negrito) indica o vetor força, enquanto a letra F (sem negrito) indica o módulo do vetor força.
2) As expressões trigonométricas estão abreviadas da seguinte forma:
seno = sen
cosseno = cos
tangente = tg
3) A aceleração da gravidade está representada por g = 10 m/s2.

Assinale a alternativa que apresenta os elementos passivos de circuito que a caixa contém.
Provas
Caderno Container