Magna Concursos

Foram encontradas 739 questões.

93119 Ano: 2010
Disciplina: Engenharia Mecânica
Banca: CESGRANRIO
Orgão: PBIO
Provas:

Duas máquinas síncronas (1 e 2) devem ser ligadas em paralelo. A primeira máquina (1) começa a operar como gerador síncrono fornecendo uma tensão V ao barramento no qual está conectada. Uma potência “sincronizante” é entregue pelo gerador (1) à segunda máquina (2), que deve operar como motor. No que diz respeito à operação da segunda máquina como motor, a fcem (força contra eletromotriz) gerada pelo motor é

 

Provas

Questão presente nas seguintes provas
93118 Ano: 2010
Disciplina: Engenharia Mecânica
Banca: CESGRANRIO
Orgão: PBIO
Provas:

Em um sistema de proteção contra descarga atmosférica externa isolado do volume a proteger, os subsistemas de captor e o condutor de descida deverão ser instalados suficientemente afastados do volume a proteger, de maneira a reduzir a probabilidade de centelhamento perigoso, quando da ocorrência de uma descarga de origem atmosférica, consistindo de um impulso atmosférico de vários quiloampères. Esse sistema é montado em uma edificação que serve como escritório da manutenção e almoxarifado de uma indústria de combustível. Na parte superior dessa edificação, será colocada a quantidade de mastros necessária para receber captores que irão garantir a proteção da edificação. De acordo com a NBR 5419:2001 ABNT, o espaçamento entre os condutores de descidas e as instalações metálicas do volume dessa edificação a proteger, em m, será de

 

Provas

Questão presente nas seguintes provas
93117 Ano: 2010
Disciplina: Engenharia Mecânica
Banca: CESGRANRIO
Orgão: PBIO
Provas:

Enunciado 3564142-1

O esquema mostrado acima corresponde a uma chave comutadora de 4 posições, para efetuar as leituras das tensões nas fases AB, BC e CA, e posição Zero sem leitura de um voltímetro instalado em um quadro de distribuição de energia. Com a chave na posição AB, somente os contatos 34 e 56 estarão fechados, e os demais contatos abertos, conforme mostrado na matriz de contatos, de maneira que, pela interligação entre 1 e 3, a tensão da fase B chega ao voltímetro, assim como 2 e 6 levam a fase A ao voltímetro. Para que se obtenham as leituras nas fases BC e CA, independente da ordem, os contatos que deverão estar fechados serão

 

Provas

Questão presente nas seguintes provas
93116 Ano: 2010
Disciplina: Engenharia Mecânica
Banca: CESGRANRIO
Orgão: PBIO
Provas:

Enunciado 3564141-1

Dados

M1 M2 M3

Potência Nominal (A)

7,5 5 15

Corrente Nominal (A)

7, 7,9 26

Rotação Sícrona (rpm)

1800 1800

1800

Corrente de Partida (A)

7In 7,8In

7In

Fator de Potência

0,81 0,84 0,87

Conjugado Partida (%)

200 190 200

Rendimento (%)

86 84 87

Peso (kg)

44,6 26,5

83,1

Para a instalação dos três motores, M1, M2 e M3, mostrada acima, será utilizado condutor de cobre unipolar classe 0,6/1 kV, isolação em PVC, seção 4 mm2. Todos os motores são trifásicos, funcionando em rede de 60 Hz, sob tensão de 380 V. Deseja-se instalar o quadro de força tomando como referência a distância entre este e o motor M3. O comprimento máximo em que pode ser instalado o quadro de força, em relação ao motor M3, para que a queda de tensão no circuito de alimentação do motor M3 seja de 3%, será de

Adotar: ( !$ \small{\sqrt{3} = 1,73} !$, Resistividade do cobre = !$ { \small{1 \over 56}} \small{ \Omega.mm^2/m} !$)

 

Provas

Questão presente nas seguintes provas
93115 Ano: 2010
Disciplina: Engenharia Mecânica
Banca: CESGRANRIO
Orgão: PBIO
Provas:

Um trecho de eletroduto aparente em uma instalação possui 3 circuitos bifásicos, com um único condutor de proteção comum aos 3 circuitos, que atendem à distribuição de um sistema de iluminação, na tensão de 220V. O circuito 1 é constituído de condutor de cobre isolado, com seção de 16 mm2; o circuito 2, com seção de 10mm2; o circuito 3, com seção de 25mm2 e o condutor de proteção apresenta seção de 16mm2. De acordo com a Norma NBR 5410:2002 ABNT, o eletroduto que atende ao trecho dessa instalação possui tamanho nominal Tn e área útil interna Au, em mm2, respectivamente, de

Assumir: Condutor 10mm² - Diâmetro externo = 8,0mm
Condutor 16mm² - Diâmetro externo = 9,0mm
Condutor 25mm² - Diâmetro externo = 10,0mm
!$ \pi !$ = 3,14

Tn

Au

 

Provas

Questão presente nas seguintes provas
93114 Ano: 2010
Disciplina: Engenharia Mecânica
Banca: CESGRANRIO
Orgão: PBIO
Provas:

Enunciado 3564139-1

A figura acima representa estrutura metálica em determinada refinaria onde um condutor sob tensão V perde a isolação e encosta na mesma, assim permanecendo. Um operador toca na estrutura com uma das mãos e imediatamente uma corrente de choque Ich percorre o seu corpo, drenando posteriormente, através dos seus pés, para a terra. Sabe-se que a resistência do corpo humano (Rh) pode ser considerada de valor 1000 !$ \Omega !$ , a resistência por pé do operador pode ser considerada como 40 /cm2 e a área superficial por pé do operador é igual a 10 cm2. Para uma corrente de choque Ich de 600mA fluindo para terra através do operador, este ficará submetido a uma tensão de toque de

 

Provas

Questão presente nas seguintes provas
93113 Ano: 2010
Disciplina: Engenharia Mecânica
Banca: CESGRANRIO
Orgão: PBIO
Provas:

Enunciado 3564138-1

O diagrama unifilar mostrado acima corresponde a uma unidade de biodiesel na qual um motor de indução de 1250CV possui como elementos de proteção, os relés 27, 49, 51 e 50G, conforme padronização para paineis elétricos de média tensão. A ordem de descrição desses dispositivos corresponde, respectivamente, à denominação de relé

 

Provas

Questão presente nas seguintes provas
93112 Ano: 2010
Disciplina: Engenharia Mecânica
Banca: CESGRANRIO
Orgão: PBIO
Provas:

Enunciado 3564137-1

O circuito acima representa um Conversor Digital- Analógico, usando um amplificador operacional, devidamente polarizado com + VCC e –VCC. Os 4 bits da entrada são representados por A B C D e recebem sinais no código BCD 8421. O nível lógico “1”, usado no conversor, é representado por uma tensão contínua de 5 volts e o nível “0” por 0 volts. Qual é, em volts, a tensão na saída Vs, quando a entrada digital vale “0 1 0 0”?

 

Provas

Questão presente nas seguintes provas
93111 Ano: 2010
Disciplina: Engenharia Mecânica
Banca: CESGRANRIO
Orgão: PBIO
Provas:

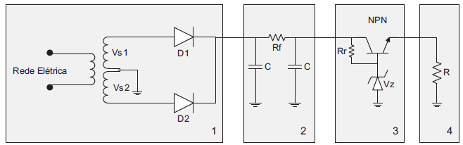
Enunciado 3564136-1

O circuito acima é subdividido em quatro trechos principais (1, 2, 3, 4). Cada um dos quatro módulos tem função específica, sendo responsáveis pela transformação da forma de onda da origem (1) ao destino (4). Qual a função de cada um desses módulos (1, 2, 3, 4)?

1 2 3 4
 

Provas

Questão presente nas seguintes provas
93110 Ano: 2010
Disciplina: Engenharia Mecânica
Banca: CESGRANRIO
Orgão: PBIO
Provas:

Enunciado 3564135-1

O diagrama lógico acima, alimentado por quatro barras de sinais A, B, C, D, representa parte do circuito de acionamento e controle de uma planta elétrica de uma refinaria de petróleo. Qual a representação da saída S do diagrama lógico?

 

Provas

Questão presente nas seguintes provas