Foram encontradas 1.703 questões.
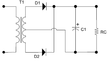
Na figura a seguir, é mostrado um circuito com diodos.

Nesse circuito, D1 e D2 fazem parte de um
Provas
Pretende-se acionar uma carga mecânica de 50 [HP], por meio de um motor de indução trifásico do tipo gaiola de esquilo, em uma instalação industrial que possui tensão de alimentação de !$ \sqrt{3.}1000[V] !$ . Sabe-se que o conjugado de partida da carga é pequeno e, portanto, não é um impeditivo para a seleção do motor mais conveniente dentre todas as alternativas comerciais disponíveis. Considerando que 1 [HP] é igual a 750 [W], assinale a alternativa que apresenta o motor que deve ser utilizado para acionar essa carga.
Provas
Uma ponte de Wheatstone é composta por quatro resistências, das quais uma é desconhecida (Rx), e as outras três apresentam os seguintes valores:
● R1 = 2 [ohms]
● R2 = 8 [ohms]
● R3 = 7 [ohms]
As resistências R1 e R2 são conectadas ao ponto A, e as resistências R3 e Rx são conectadas ao ponto B. Além disso:
● As resistências R1 e R3 são conectadas em série, e o ponto de conexão entre ambas é o ponto C.
● As resistências R2 e Rx também são conectadas em série, e o ponto de conexão entre ambas é o ponto D.
Dado que a ponte é alimentada por uma fonte de corrente contínua de VBA = 14 [V] e que um galvanômetro ideal conectado entre os pontos C e D mede corrente de aproximadamente 57 [mA], é correto afirmar que a ponte está em
Provas
A sistematização da assistência de enfermagem é uma obrigação da equipe de enfermagem na prestação de suas atividades. Segundo o COFEN, é de responsabilidade do técnico de enfermagem realizar
Provas
Paciente de 10 anos, internado na UTI Pediátrica há 20 dias, passa a apresentar sinais de Insuficiência renal e é indicado hemodiálise. Quais os cuidados do técnico de enfermagem ao paciente pediátrico em hemodiálise?
Provas
A equipe da UTI pediátrica atendeu a uma parada cardiorrespiratória de um paciente de 1 ano e 8 meses e, após realizar as manobras, a criança recuperou os sinais vitais. Após 3 dias, ela foi diagnosticada com encefalopatia hipóxico- isquêmica e foi submetida à investigação de morte encefálica. Segundo o protocolo de morte encefálica no Brasil, são necessários dois exames clínicos. Qual o intervalo de tempo entre esses exames para esse paciente?
Provas
Na fase em que a morte se torna inevitável, prevalece os cuidados paliativos e a prioridade se torna o alívio do sofrimento, a não a maleficência. No caso de crianças, o princípio da autonomia deve ser exercido pela família ou seu responsável legal, buscando a defesa dos seus melhores interesses. Segundo os aspectos relacionados aos cuidados paliativos, é correto afirmar:
Provas
A Iniciativa Hospital Amigo da Criança (IHAC) tem crescido, com mais de 20 mil hospitais credenciados em mais de 156 países nos últimos 15 anos. Ações visando estimular os hospitais e as maternidades no país a se tornarem “Amigos da Criança” são coordenadas no Brasil pela Área de Saúde da Criança do Ministério da Saúde. Os estabelecimentos de saúde, para se tornarem HAC, precisam ser submetidos à avaliação com base no cumprimento dos critérios globais. Quais critérios a seguir fazem parte dos “Dez passos para o sucesso do aleitamento materno”?
Provas
A ventilação mecânica invasiva na UTI pediátrica é um procedimento comum e que pode ser realizada por meio de uma cânula orotraqueal, cânula nasotraqueal ou traqueostomia. De acordo com o Conselho Federal de Enfermagem (COFEN), o manejo da ventilação mecânica constitui prática avançada de Enfermagem estando o técnico de enfermagem apto a realizar
Provas
- SUSLei 8.080/1990: Lei Orgânica da SaúdeSistema Único de SaúdePrincípios, Objetivos, Diretrizes e Atribuições.Art. 7º: Princípios e Diretrizes
Sobre os princípios e diretrizes do Sistema Único de Saúde (SUS), assinale a alternativa correta.
Provas
Caderno Container