Magna Concursos

Foram encontradas 1.668 questões.

1566031 Ano: 2014
Disciplina: Engenharia Eletrônica
Banca: BIO-RIO
Orgão: NUCLEP
Enunciado 1566031-1
 

Provas

Questão presente nas seguintes provas
1566030 Ano: 2014
Disciplina: Engenharia Eletrônica
Banca: BIO-RIO
Orgão: NUCLEP
Enunciado 1566030-1
 

Provas

Questão presente nas seguintes provas
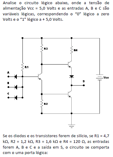
1566029 Ano: 2014
Disciplina: Engenharia Eletrônica
Banca: BIO-RIO
Orgão: NUCLEP
Enunciado 1566029-1
Em relação a esse circuito, o engenheiro teve uma dúvida: para que serve o diodo D1? Após uma análise mais apurada, ele concluiu que o diodo D1:
 

Provas

Questão presente nas seguintes provas
1566028 Ano: 2014
Disciplina: Engenharia Eletrônica
Banca: BIO-RIO
Orgão: NUCLEP
Enunciado 1566028-1
Após análise, o engenheiro concluiu que um circuito com essa topologia poderia funcionar:
 

Provas

Questão presente nas seguintes provas
1566027 Ano: 2014
Disciplina: Engenharia Eletrônica
Banca: BIO-RIO
Orgão: NUCLEP
Enunciado 1566027-1
 

Provas

Questão presente nas seguintes provas
1566025 Ano: 2014
Disciplina: Engenharia Eletrônica
Banca: BIO-RIO
Orgão: NUCLEP
Enunciado 1566025-1
 

Provas

Questão presente nas seguintes provas
1566024 Ano: 2014
Disciplina: Engenharia Eletrônica
Banca: BIO-RIO
Orgão: NUCLEP
Enunciado 1566024-1
 

Provas

Questão presente nas seguintes provas
1566023 Ano: 2014
Disciplina: Engenharia Eletrônica
Banca: BIO-RIO
Orgão: NUCLEP
O Fator de Potência (FP) é o cosseno do ângulo entre os fasores correspondentes à potência total e a potência ativa, consumida por uma instalação elétrica. O Fator de Potência deve ser o mais próximo de “1”. Uma resolução da Anatel dá, como o limite máximo de uma instalação, um Fator de Potência de 0, 92. Se o FP for menor que 0,92 será cobrado um acréscimo na conta do consumidor de energia elétrica e, assim, há, nesse caso, a necessidade da correção do FP. Se desejamos aumentar o FP de um motor elétrico devemos colocar um:
 

Provas

Questão presente nas seguintes provas
1566022 Ano: 2014
Disciplina: Engenharia Eletrônica
Banca: BIO-RIO
Orgão: NUCLEP
Enunciado 1566022-1
 

Provas

Questão presente nas seguintes provas
1566021 Ano: 2014
Disciplina: Engenharia Eletrônica
Banca: BIO-RIO
Orgão: NUCLEP
Um motor síncrono de 10 polos é ligado a uma rede de 127 V AC com uma frequência de 60 Hz. O Número de Rotações por Minuto (rpm) do motor será de:
 

Provas

Questão presente nas seguintes provas