Foram encontradas 1.425 questões.
Uma fonte senoidal, que alimenta um equipamento elétrico de
impedância igual a 9 Ω, solicita potências aparente e reativa
iguais a, respectivamente, 7,5 kVA e 4,5 kVAr.
A parte resistiva desse equipamento é igual a:
A parte resistiva desse equipamento é igual a:
Provas
Questão presente nas seguintes provas
Um circuito série composto por um resisitor de 3 Ω e um indutor
de 1/30π H é alimentado por uma fonte de 70 V na frequência de
60 Hz.
A corrente elétrica que flui nesse circuito é:
A corrente elétrica que flui nesse circuito é:
Provas
Questão presente nas seguintes provas
A respeito da resistividade dos metais, analise as afirmativas a
seguir.
I. A resistividade diminui com a temperatura.
II. A concentração de impurezas interfere na resistividade.
III. A resistividade diminui com a deformação plástica do metal.
Está correto apenas o que se afirma em:
I. A resistividade diminui com a temperatura.
II. A concentração de impurezas interfere na resistividade.
III. A resistividade diminui com a deformação plástica do metal.
Está correto apenas o que se afirma em:
Provas
Questão presente nas seguintes provas
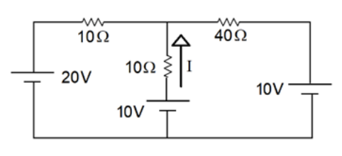
A figura abaixo apresenta um circuito composto por baterias e
resistores:

A corrente elétrica I é igual a:

A corrente elétrica I é igual a:
Provas
Questão presente nas seguintes provas
Considere um circuito série formado por quatro resistores de
10 Ω, alimentado por uma fonte de 90 V.
Ao considerar um desses resistores como sendo a carga de interesse, o Equivalente de Norton que alimenta essa carga será formado por uma fonte de corrente de:
Ao considerar um desses resistores como sendo a carga de interesse, o Equivalente de Norton que alimenta essa carga será formado por uma fonte de corrente de:
Provas
Questão presente nas seguintes provas
Considere um resistor de resistência R. Ao introduzir dois
resistores em paralelo a esse resistor de valores iguais a R/2 e R/4
e dois em série com valores iguais aos que foram colocados em
paralelo, a resistência equivalente será igual a:
Provas
Questão presente nas seguintes provas
Uma carga resisitiva de 6 Ω está ligada ao equivalente de
Thévenin de um circuito do qual faz parte, formado por uma
Fonte de Thévenin de 40 V e um resistor de Thévenin de 4 Ω.
Para o circuito original, encontramos a carga em paralelo com
com um resistor de:
Provas
Questão presente nas seguintes provas
Uma gestante realiza ultrassonografia com 17 semanas que evidencia um feto com distensão da bexiga e da uretra (bexiga em formato de “raquete”) e oligodramnia.
Esse achado é característico de:
Esse achado é característico de:
Provas
Questão presente nas seguintes provas
Paciente com gestação gemelar com 19 semanas procura atendimento devido a aumento importante do fundo uterino. Realiza ultrassonografia que identifica gestação monocoriônica diamniótica com um feto com polidrâmnio e Doppler do ducto venoso alterado, e o outro em adramnia, bexiga não visualizada e Doppler da artéria umbilical com diástole zero.
Diante desses achados, o diagnóstico mais provável e a conduta são:
Diante desses achados, o diagnóstico mais provável e a conduta são:
Provas
Questão presente nas seguintes provas
Uma paciente é encaminhada ao serviço de medicina fetal com diagnóstico de mielomeningocele fetal com 22 semanas. A lesão tem seu limite superior em L5. O feto tem movimentação dos membros inferiores normal e não tem ventriculomegalia.
Sobre a possibilidade de tratamento nesse caso, é correto afirmar que:
Sobre a possibilidade de tratamento nesse caso, é correto afirmar que:
Provas
Questão presente nas seguintes provas
Cadernos
Caderno Container