Foram encontradas 1.425 questões.
Em um parque industrial, existem quatro quadros elétricos
(QDE1, QDE2, QDE3 e QDE4) responsáveis por alimentar suas
respectivas instalações. Todos os quadros são alimentados por
um único transformador de potência. As potências de cada um
dos quadros são, respectivamente, 200 kW, 150 kW, 75 kW e
200 kW. As coordenadas de localização desses quadros em
relação ao parque industrial são, respectivamente, iguais a (2;4),
(5;3), (5;8) e (5;2).
A melhor localização do transformador para atender ao critério de queda de tensão de forma mais otimizada é:
A melhor localização do transformador para atender ao critério de queda de tensão de forma mais otimizada é:
Provas
Questão presente nas seguintes provas
O esquema de aterramento adequado a uma instalação em cujas
dependências se deseja monitorar os níveis de isolamento é:
Provas
Questão presente nas seguintes provas
Um equipamento elétrico de 10 kVA e 250 V é alimentado por
meio de um alimentador de 20 m de comprimento. O condutor
utilizado nesse alimentador possui 2,0 V/(A.km) de queda de
tensão unitária.
A queda de tensão no circuito é de:
A queda de tensão no circuito é de:
Provas
Questão presente nas seguintes provas
Um circuito elétrico bifásico alimenta uma carga de 4,0 kW, com fator de potência 0,8. Esse circuito compartilha o eletroduto pelo qual passa com mais outros dois circuitos. Abaixo são apresentadas as tabelas 1 e 2 necessárias para o dimensionamento desse circuito.
| Seção nominal (mm2) | 2 condutores carregados |
3 condutores carregados |
|---|---|---|
| 1,0 | 14 | 13 |
| 1,5 | 18,5 | 16,5 |
| 2,5 | 25 | 22 |
| 4 | 33 | 30 |
| 6 | 42 | 38 |
| Número de circuitos |
1 | 2 | 3 | 4 | 5 |
|---|---|---|---|---|---|
| Fator de agrupamento |
1,00 | 0,80 | 0,70 | 0,65 | 0,60 |
O padrão dos níveis de tensão da instalação é 220/127 V, e a temperatura ambiente é de 30 ºC.
A seção desse circuito pelo critério de capacidade de condução
Provas
Questão presente nas seguintes provas
- Sistemas Elétricos de PotênciaAnálise de SEP
- Sistemas Elétricos de PotênciaDistribuição de Energia Elétrica
A respeito da coordenação entre relé e elo fusível, é correto
afirmar que:
Provas
Questão presente nas seguintes provas
Uma dada instalação elétrica utiliza um dispositivo supervisor de
isolamento para identificar os locais em que podem ocorrer
sobrecorrentes ou correntes de curto-circuito.
Esse equipamento auxilia na execução da manutenção:
Esse equipamento auxilia na execução da manutenção:
Provas
Questão presente nas seguintes provas
A confiabilidade de equipamentos pode ser avaliada por meio de
Indicadores de manutenção. Considere um equipamento que é
disponibilizado a operar em um tempo total de 500 u.t. (unidades
de tempo) e permanece 20 u.t. em manutenção com um número
de paradas igual 4.
Nessas condições, o tempo médio entre falhas e o tempo médio de reparos são, respectivamente, iguais a:
Nessas condições, o tempo médio entre falhas e o tempo médio de reparos são, respectivamente, iguais a:
Provas
Questão presente nas seguintes provas
A respeito do Building Information Modeling (BIM), analise as
afirmativas a seguir.
I. É um processo de criação do modelo virtual com informações técnicas da edificação.
II. A comunicação de diversos softwares de projeto se dá por meio do arquivo denominado Industry Foundation Classes (IFC).
III. O Revit é um software de modelagem utilizado no processo do BIM.
Está correto o que se afirma em:
I. É um processo de criação do modelo virtual com informações técnicas da edificação.
II. A comunicação de diversos softwares de projeto se dá por meio do arquivo denominado Industry Foundation Classes (IFC).
III. O Revit é um software de modelagem utilizado no processo do BIM.
Está correto o que se afirma em:
Provas
Questão presente nas seguintes provas
A respeito de testes realizados em um processo de certificação de
rede óptica de comunicação de dados, analise as afirmativas a
seguir.
I. O teste de ponta a ponta utiliza fonte de luz e medidor óptico de potência.
II. O identificador de fibras ativas é utilizado para realizar medidas de perdas no conector, emenda e reflectância da fibra.
III. O analisador de espectro óptico pode ser utilizado para realizar medidas de atenuação ponta a ponta somente se utilizado em conjunto com uma fonte de luz.
Está correto o que se afirma em:
I. O teste de ponta a ponta utiliza fonte de luz e medidor óptico de potência.
II. O identificador de fibras ativas é utilizado para realizar medidas de perdas no conector, emenda e reflectância da fibra.
III. O analisador de espectro óptico pode ser utilizado para realizar medidas de atenuação ponta a ponta somente se utilizado em conjunto com uma fonte de luz.
Está correto o que se afirma em:
Provas
Questão presente nas seguintes provas
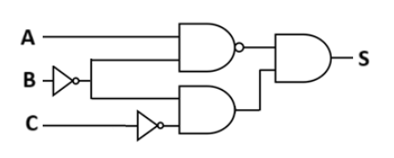
A figura abaixo apresenta um circuito digital que possui três
entradas digitais A, B e C e uma saída S.

A operação booleana realizada pelo circuito pode ser descrita como:

A operação booleana realizada pelo circuito pode ser descrita como:
Provas
Questão presente nas seguintes provas
Cadernos
Caderno Container