Magna Concursos

Foram encontradas 60 questões.

715340 Ano: 2006
Disciplina: Português
Banca: FCC
Orgão: MPE-PE

Autores reconhecidos do passado não conheceram a existência de direitos autorais.

Eles produziram obras-primas.

Essas obras foram marcantes na história das civilizações.

Os autores receberam compensações financeiras por suas criações.

As frases acima organizam-se em um único período com lógica, clareza e correção em:

 

Provas

Questão presente nas seguintes provas
enunciado 715337-1

A frase corretamente pontuada é:

 

Provas

Questão presente nas seguintes provas
715277 Ano: 2006
Disciplina: Eletroeletrônica
Banca: FCC
Orgão: MPE-PE

Considere:

enunciado 715277-1

As figuras I, II e III representam, respectivamente, redes com topologias
 

Provas

Questão presente nas seguintes provas
715276 Ano: 2006
Disciplina: Eletroeletrônica
Banca: FCC
Orgão: MPE-PE

São conectores instalados no painel traseiro do gabinete de um microcomputador:

 

Provas

Questão presente nas seguintes provas
715275 Ano: 2006
Disciplina: Eletroeletrônica
Banca: FCC
Orgão: MPE-PE

O amplificador abaixo usa como amplificador operacional o LM 741. Na entrada, é aplicado um sinal de 1 kHz com amplitude de pico a pico de 0,5 V.

enunciado 715275-1

Caracteriza o sinal de saída:
 

Provas

Questão presente nas seguintes provas
715274 Ano: 2006
Disciplina: Eletroeletrônica
Banca: FCC
Orgão: MPE-PE

As características típicas de um amplificador operacional são:

 

Provas

Questão presente nas seguintes provas
715273 Ano: 2006
Disciplina: Eletroeletrônica
Banca: FCC
Orgão: MPE-PE

O circuito abaixo é uma interface de potência acionada por sinal digital TTL.

enunciado 715273-1

Se a entrada receber nível lógico alto (1), conseqüentemente o estado dos transistores Q1 e Q2 e do relé serão:
 

Provas

Questão presente nas seguintes provas
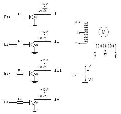
715272 Ano: 2006
Disciplina: Eletroeletrônica
Banca: FCC
Orgão: MPE-PE

A figura abaixo representa os enrolamentos de um motor de passo de 6 fios, uma bateria de 12 V e uma interface de potência para que o motor de passo possa ter as suas rotações horária e anti-horária controladas por um circuito digital de 4 bits. A tensão de alimentação do motor de passo é de 12 V.

enunciado 715272-1

As conexões entre a interface, a bateria e o motor de passo, estão corretas em:
 

Provas

Questão presente nas seguintes provas
715271 Ano: 2006
Disciplina: Eletroeletrônica
Banca: FCC
Orgão: MPE-PE

Considere o programa abaixo, escrito para um microcontrolador da família 8051:

enunciado 715271-1

 

Provas

Questão presente nas seguintes provas
715270 Ano: 2006
Disciplina: Eletroeletrônica
Banca: FCC
Orgão: MPE-PE

Um microcontrolador da família 8051 possui dois pinos que servem como entrada e saída seriais de dados. Esses pinos são, respectivamente,

 

Provas

Questão presente nas seguintes provas