Foram encontradas 620 questões.
Analise o circuito ligado a um Arduino e o código associado ao circuito:
|
Int led = 9; Int brilho = 0; Int fade = 5; Void setup() { pinMode(led, OUTPUT); } Void loop() { analogWrite(led, brilho); brilho = brilho + fade; if (brilho == 0 || brilho == 255) { fade = -fade ; } delay(300); } |
A montagem
|
Considerando a imagem, marque V para as afirmativas verdadeiras e F para as falsas.
( ) O acionamento do LED é realizado pelo pino 05, onde há no programa um PWM realizado por software.
( ) A função delay é escrita no código para que temporize 30 ms.
( ) Quando o programa é inicializado no Arduino, o valor de brilho ao ser verificado na estrutura condicional if vale 0.
( ) O PWM traduzido significa modulação por largura de pulso e no Arduino é uma onda quadrada com o ciclo de trabalho determinado pelo valor enviado ao respectivo pino de 0 a 255; onde 0 significa 0 volts nesse pino e 255 significa 5 volts neste pino.
( ) O decremento da variável fade ocorre se brilho é igual a zero e igual a 255; este decremento é unitário.
A sequência está correta em
Provas
No circuito a seguir, considere o diodo ideal, π = 3,14 e !$ \sqrt{2} !$ = 0, 707 . O valor CC da tensão (Vs) sobre o resistor em relação ao GND é, aproximadamente:

Provas
Analise a imagem a seguir que representa o modelo de um regulador Boost:

Considerando a imagem, marque V para as afirmativas verdadeiras e F para as falsas.
( ) Quando a chave está conduzindo, tem-se o carregamento do indutor e o capacitor mantendo a tensão na carga.
( ) Quando a chave está operando no corte, tem-se a tensão da fonte em série com a tensão do indutor, produzindo, assim, uma redução da tensão na carga.
( ) A chave utilizada neste circuito é um MOSFET; porém, pode-se utilizar IGBT ou BJT.
( ) O diodo Dm conduz quando o indutor está em processo de descarga.
( ) A forma de onda da tensão sobre o capacitor é aproximadamente triangular.
A sequência está correta em
Provas
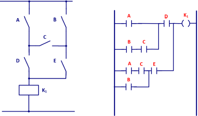
Analise o funcionamento dos equivalentes eletromecânicos em Ladder utilizados em Controladores Lógico Programáveis (CLP).
(1) 
(2) 
Considerando as imagens marque V para as afirmativas verdadeiras e F para as falsas.
( ) Dos diagramas Ladder obtêm-se expressões lógicas equivalentes aos sistemas digitais. No caso específico dos sistemas representados, têm-se diretamente funções AND, OR, NOT e NAND.
( ) Todos os diagramas Ladder representados podem ser simplificados e se tornarem mais simples.
( ) No diagrama em (1) tem-se 3 operações AND e em (2) tem-se 4.
( ) Em um (1) há intertravamento indireto (pelas entradas) entre K1 e K2.
( ) Em (2), se não há acionamento de D, é impossível acionar K1.
A sequência está correta em
Provas
- Transformadores e Máquinas ElétricasMáquinas EstáticasTransformadores Trifásicos e Autotransformadores
Sobre os autotransformadores, analise as afirmativas a seguir.
I. Os autotransformadores monofásicos possuem dois enrolamentos conectados em paralelo, sendo um o primário e ou outro o secundário.
II. A sua desvantagem é a perda de isolamento elétrico entre os enrolamentos; contudo, permitem construtivamente um menor núcleo, o que resulta em menores custos de fabricação.
III. Eles possuem maior eficiência e uma melhor regulação de tensão.
IV. Uma desvantagem é que os enrolamentos ligados à rede produzem alta queda de tensão, produzindo perdas de energia no cobre e entreferro, proporcionando baixas potências de saída.
Está correto o que se afirma apenas em
Provas
Considerando que a transferência de energia de um circuito trifásico para outro, acompanhada da transformação de tensão e de corrente, pode ser realizada por três transformadores monofásicos – os chamados bancos trifásicos ou por um transformador trifásico, no qual os enrolamentos das três fases são montados em um núcleo comum, analise as afirmativas a seguir.
I. O uso de transformadores trifásicos tem sido preferido porque eles têm custos menores de fabricação, pesam menos e ocupam espaço menor quando comparados com o banco trifásico de mesma potência.
II. Se houver perda de um transformador do banco, uma simples troca é a solução; no caso de um trifásico deve ser providenciada a sua substituição integral.
III. Se o banco estiver conectado em estrela e ocorrer a perda de um transformador do banco, ele continuará em funcionamento. É a conexão denominada de estrela em aberto.
IV. A depender das características dos circuitos de geração, transmissão e distribuição, as conexões trifásicas mais comuns dos enrolamentos de transformadores são a conexão estrela-estrela; delta-delta; estrela-delta; e, a delta-estrela.
Está correto o que se afirma apenas em
Provas
Analise a figura a seguir que representa o modelo simplificado de um acionamento de motor de corrente contínua:

Considerando a imagem, marque V para as afirmativas verdadeiras e F para as falsas.
( ) Trata-se de um conversor CC-CA, que utiliza modulação por largura de pulsos (PWM) com frequência fixa, onde o dispositivo de chaveamento é um BJT, MOSFET ou IGBT.
( ) Na operação de terceiro quadrante, a tensão e as correntes no indutor ficam negativas, de forma que S4 fica continuamente ligada e S3 opera como modulação.
( ) Pode-se utilizar reguladores Buck, Boost e Cúk para variar a velocidade do motor CC.
( ) Na operação de primeiro quadrante, S2 opera como modulação.
( ) No segundo quadrante, o circuito opera como inversor, com a tensão no indutor positiva e corrente negativa.
A sequência está correta em
Provas
“O controle por orientação do fluxo magnético torna o desempenho dinâmico dos motores de comparável ao dos motores de corrente contínua com excitação . A orientação consiste em no eixo direto do sistema de coordenadas um dos fluxos magnéticos: o de estator, o de rotor e o de entreferro.” Quanto à variação de velocidade de máquinas elétricas, assinale a alternativa que completa correta e sequencialmente a afirmativa anterior.
Provas
Sobre as máquinas de corrente contínua, analise as afirmativas a seguir.
I. Na excitação paralela, a corrente de campo é a corrente de armadura; qualquer variação da corrente de armadura significa variação da corrente de excitação e, portanto, variação do fluxo magnético por polo que atravessa o entreferro.
II. O torque eletromecânico de uma máquina série é proporcional ao produto de dois fatores sempre positivos. A inversão do sentido da corrente não produz inversão do torque e, portanto, o motor pode funcionar também em corrente alternada, embora exija, para este fim, um projeto especial.
III. Na excitação série, tem-se um motor apresentando altas velocidades para torque resistente de carga baixo. À medida que este eleva, a velocidade decresce fortemente, o que torna esta excitação atraente quando se deseja alto torque de partida.
IV. Na excitação composta, se o enrolamento do campo série é ligado em série com a armadura, a ligação é conhecida como ligação paralelo-curta; se o enrolamento série for ligado externamente ao circuito da armadura, a ligação é dita ligação paralelo-longa.
Está correto o que se afirma apenas em
Provas
Analise a figura a seguir:

A impedância equivalente do circuito anterior é de, aproximadamente:
Provas
Caderno Container
