Foram encontradas 620 questões.
Analise a imagem a seguir:

A potência aproximada média sobre um resistor de 5 ohms, cuja forma de onda da corrente é mostrada pela figura anterior é de, aproximadamente:
Provas
A seguir tem-se um circuito de acionamento de um portão de acesso:

Considerando a imagem, marque V para as afirmativas verdadeiras e F para as falsas.
( ) O relé de sobrecarga e2 é ajustado pelo fator de serviço encontrado como dado de placa do acrescido de 25%.
( ) O circuito de carga faz uma reversão do motor trifásico trocando três fases.
( ) É previsto chaves fim de curso para desligar o motor de indução trifásico e um provável defeito poderá causar o desligamento do motor por sobrecarga, através de e2.
( ) Se o intertravamento elétrico de K1 estiver defeituoso, ou seja, continuamente fechado, K2 acionará junto com K1.
( ) b1 e b0 podem ser contatos de botoeiras ou oriundas de relés eletromecânicos dos receptores de RF por controle remoto.
A sequência está correta em
Provas
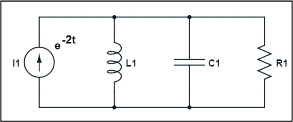
Analise o circuito a seguir. Um modelo no domínio do tempo, ou seja, no espaço de estados, considerando a entrada da figura (exponencial amortecida) e a saída, sendo a tensão no resistor é igual a:

Provas
Uma carga equilibrada ligada em estrela é alimentada por um sistema trifásico simétrico e equilibrado com sequência de fase BAC. Sabendo-se que !$ \dot{V}AN = 220\angle -62º !$. As tensões de linha na carga são:
Provas
Sobre os Sistemas de Proteção Contra Descargas Atmosféricas (SPDA), analise as afirmativas a seguir.
I. A NBR 5419 determina na elaboração do projeto de captores os métodos de ângulo de proteção, esfera rolante ou gaiola de Faraday.
II. Na NBR 5419, o nível IV é o nível de proteção mais severo quanto à perda de patrimônio. Refere-se às construções protegidas, cuja falha no SPDA pode provocar danos às estruturas adjacentes como indústrias químicas; nucleares; laboratórios bioquímicos; nucleares; e, fogos de artifícios.
III. Cada condutor de descida de um SPDA deve ser provido de uma conexão de medição instalada próximo ao ponto de ligação do aterramento.
IV. Para a escolha do nível de proteção, a altura é medida em relação ao solo, para verificação da área protegida; e, ainda, em relação ao plano horizontal a ser protegido.
Está correto o que se afirma apenas em
Provas
Sobre as leis básicas do eletromagnetismo, analise as afirmativas a seguir.
I. A Lei de Lenz diz que a tensão induzida em um indutor é tal que é oposta a causa que a originou.
II. A Lei de Faraday diz que a tensão induzida em um indutor é proporcional ao número de espiras e derivada do fluxo magnético em relação ao tempo.
III. A força de Lorentz depende linearmente da carga elétrica e possui a forma matemática de um produto vetorial simples entre a velocidade e o campo magnético.
IV. A existência da força de Lorentz faz com que fios elétricos que transportam corrente sejam forçados quando colocados em uma região onde há campo elétrico. A força elétrica total, nestes casos, é obtida como uma integração de superfície ao longo do trecho de fio elétrico sob consideração.
Está correto o que se afirma apenas em
Provas
“Nas máquinas de não existe um circuito físico exclusivo para e isso torna o seu controle mais complexo, quando comparado com o controle da máquina de . Quando se apenas a magnitude e/ou a frequência das grandezas elétricas ou magnéticas, diz-se que o controle é .” Considerando a variação de velocidade de máquinas elétricas, assinale a alternativa que completa correta e sequencialmente a afirmativa anterior.
Provas
Elaborar orçamento é proceder o levantamento de custos/preços para estimar o custo de um empreendimento, devendo ser elaborado antes da execução da obra. Os orçamentos têm finalidades diversas e, por isso mesmo, suas características são diversificadas, dependendo do fim a que se propõem. Assim sendo, os orçamentos podem ser classificados segundo dois critérios: grau de precisão e nível de detalhamento dos dados apresentados nas planilhas. Em relação aos orçamentos, relacione adequadamente as colunas a seguir.
I. Sintéticos.
II. Baseados na NBR 12721:2006.
III. Pelo custo dos itens principais.
IV. Precisos.
V. Estimados pelo CUB.
VI. Analíticos.
A. É uma metodologia simplificada que se dispõe para o cálculo aproximado dos custos de obras. O custo global é o resultado do produto da área total a construir pelo custo de m² de obra pronta. A área total é definida pelo projeto de arquitetura, em qualquer fase em que ele se encontrar, e o custo unitário básico de construção é fornecido por diversas fontes, entre elas o boletim mensal do SINDUSCON.
B. Leva em consideração que as obras não são constituídas por partes com o mesmo padrão de acabamento. A área total, então, será a soma das áreas tomadas como padrão com as áreas calculadas como equivalentes à padrão.
C. São aqueles cujas planilhas não se preocupam em fornecer subsídios para análises detalhadas dos custos/preços, sendo apenas compostas da relação das etapas construtivas e seus respectivos custos/preços.
D. São aqueles cujas planilhas contam de documentos mais detalhados, com a finalidade de se poder avaliar os impactos no custo devido às especificações técnicas e/ou projetos. Apresentam dados como as etapas construtivas e seus custos/preços e, ainda, todos os serviços componentes de cada etapa, suas unidades de referência, seus quantitativos, seus custos/preços unitários e os totais, podendo, também, conter a inclusão das composições unitárias dos serviços.
E. Computa-se primeiramente uma listagem dos que são considerados os itens mais representativos no custo global da obra, sendo o custo total da obra o somatório dos custos estimado pelo CUB.
F. Computam todos os custos unitários, parciais e totais de uma obra tendo por base o projeto executivo. As composições unitárias de serviços mostram os serviços com todos os seus insumos, ou seja, os materiais, a mão de obra e os encargos sociais gerados.
Considerando classes de orçamento, assinale a associação correta.
Provas
- Normas e LegislaçõesNBRsNBR 14.653: Avaliação de BensNBR 14.653-1: Avaliação de Bens (Procedimentos Gerais)
A NBR 14653-1 define engenharia de avaliações como o conjunto de conhecimentos técnico-científicos especializados, aplicados à avaliação de bens. Conforme estabelecido na NBR 14653, sobre engenharia de avaliações, assinale a afirmativa correta.
Provas
Considere a rampa projetada para uma edificação pública:

Dados da rampa:
• dois segmentos de rampa com o mesmo comprimento;
• comprimento da projeção horizontal de cada segmento = 24 metros;
• desnível total (pé direito da edificação + espessura de laje) = 4 metros; e,
• inclinação da rampa = 8,33%.
Com base no resultado preliminar, analise as afirmativas correlatas e a relação proposta entre elas.
I. “A rampa em questão está fora dos padrões estabelecidos pela NBR-9050 (2020), podendo gerar desconforto, em especial às pessoas em cadeira de rodas (colaboradores e público em geral).”
PORQUE
II. “Para uma inclinação entre 6,25% e 8,33% em cada segmento de rampa, o desnível máximo deste segmento não pode ultrapassar 0,80 m.”
.
Assinale a alternativa correta.
Provas
Caderno Container