Foram encontradas 770 questões.
Provas
Provas
Assinale a opção que mostra porque essa característica, embora indesejada, é admitida.
Provas
Usar palavras reservadas para nomear objetos não é uma boa ideia, mas no MS SQL Server é possível usar palavras reservadas em certos objetos, desde que, por ocasião da utilização esses objetos, seus nomes sejam de forma especial.
Observe os dois comandos SQL a seguir.
select "having" from teste
where between <> 'between';
select [having] from teste
where [between] <> 'between';
Sobre esses comandos, analise as afirmativas a seguir.
I. O resultado do primeiro comando é sempre vazio.
II. O primeiro comando causa um erro de compilação.
III. O resultado do segundo comando é sempre vazio.
IV. O segundo comando causa um erro de compilação.
Está correto o que se afirma em
Provas
Provas
Provas
No contexto das “fact tables”, no âmbito de bancos de dados “data warehouse”, analise as afirmativas a seguir.
I. Constituem o material primordial dos processos de computação e agregação das consultas.
II. Contêm referências às dimensões a elas associadas.
III. Podem conter registros de tempo (time stamps).
IV. Podem conter “degenerate dimensions”.
Está correto o que se afirma em
Provas

Assinale a lista de valores lógicos que, da esquerda para a direita, completa a tabela, de cima para baixo.
Provas
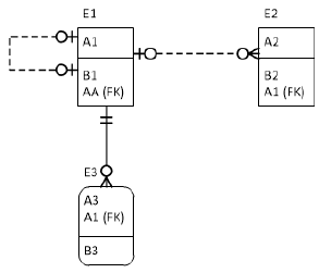
Considere o diagrama IDEF1X a seguir.

Assinale a opção que apresenta o script SQL que cria a tabela E1
corretamente.
Provas
Num banco de dados relacional, considere uma tabela T, não normalizada contendo os atributos CPF, Matrícula, Nome, Endereço, Telefone. Sobre esses atributos, foram apuradas as seguintes dependências funcionais:
Matrícula → CPF
CPF → Nome
Matrícula → Endereço
Telefone → Matrícula
Assinale o esquema (com as chaves primárias sublinhadas) que está normalizado e produzido com decomposição sem perda.
Provas
Caderno Container