Foram encontradas 770 questões.
Analise o comando de criação da tabela teste, com cinco
constraints, exibido a seguir.
create table teste ( a int null, b varchar (40) not null, c int, constraint pk_a primary key (a), constraint fk_a_c foreign key (c) references teste, constraint uq_b unique (b), constraint up_c unique (c), constraint ch_1 check ( a >= 0.5 * c ) )
Assinale a constraint desse script que seria rejeitada no MS SQL Server.
create table teste ( a int null, b varchar (40) not null, c int, constraint pk_a primary key (a), constraint fk_a_c foreign key (c) references teste, constraint uq_b unique (b), constraint up_c unique (c), constraint ch_1 check ( a >= 0.5 * c ) )
Assinale a constraint desse script que seria rejeitada no MS SQL Server.
Provas
Questão presente nas seguintes provas
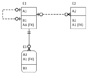
Considere o diagrama IDEF1X a seguir.

Assinale a opção que apresenta o script SQL que cria a tabela E2
corretamente.
Provas
Questão presente nas seguintes provas
No Oracle, o recurso Direct NFS client permite uma melhor
performance e escalabilidade na utilização de bancos de dados.
Assinale o item que descreve a principal característica desse
recurso.
Provas
Questão presente nas seguintes provas
Teoricamente, um banco de dados relacional poderia ser
construído em uma única tabela, chamada universal, na qual
estariam presentes todos os atributos. Na prática, porém, isso
causaria enormes transtornos.
Uma técnica de projeto de bancos é a de decomposição sucessiva
das tabelas, à luz das dependências entre atributos, até que se
chegue a um projeto normalizado com um nível de decomposição
aceitável. Nesse processo, deve haver uma preocupação especial
para que essa decomposição seja sem perda.
Assinale a opção que apresenta o significado técnico da
“decomposição sem perda”, no presente contexto.
Provas
Questão presente nas seguintes provas
No contexto da otimização de consultas para bancos de dados, a
Álgebra Relacional tem um papel importante, especialmente na
construção das query trees para a representação de planos de
execução. As operações primitivas da AR são definidas como as
operações que não podem ser expressas por meio das demais
operações.
Assinale a opção que apresenta a lista que contém as cinco
operações primitivas da AR.
Provas
Questão presente nas seguintes provas
Observe o comando SQL a seguir.
drop table T1, T2 cascade
No MYSQL, esse comando
Provas
Questão presente nas seguintes provas
No Oracle, o comando create synonym pode ser aplicado aos
tipos de objetos listados a seguir, à exceção de um. Assinale-o:
Provas
Questão presente nas seguintes provas
O administrador de uma instalação MS SQL Server detectou a
existência de uma transação em atividade no sistema, cujo
processamento está muito demorado.
Assinale a opção que apresenta a consulta que fornece os dados
adequados para que a transação seja corretamente identificada e
o comando kill executado com segurança.
Provas
Questão presente nas seguintes provas
Considere uma tabela relacional T, com atributos A, B, C, D, E, na qual as seguintes dependências funcionais se verificam:
A → B
B → C
C → D
D → E
E → A
Para que essa tabela esteja normalizada até a forma Boyce-Codd,
Provas
Questão presente nas seguintes provas
No contexto de metadados de bancos de dados, assinale o
comando SQL que, tanto no Oracle como no MS SQL Server,
retorna a lista de tabelas no escopo corrente.
Provas
Questão presente nas seguintes provas
Cadernos
Caderno Container