Foram encontradas 770 questões.
No Oracle, considere que o comando a seguir tenha sido executado com sucesso.
create sequence exemplo
start with 100
increment by 10
order;
Logo na sequência, os comandos
select exemplo.nextval from dual;
select exemplo.nextval from dual;
select exemplo.currval from dual;
são executados em bloco.
Assinale a opção que exibe o resultado produzido.
Provas
O comando SQL
select convert(real,getdate() )
executado no MS SQL Server, no dia 27/04/2018, às 18.00h, retornou
Provas
Provas
Provas
select r1.* from r1 where r1.A not in ( select r2.A from r2 );
select r1.* from r1 where not exists ( select * from r2 where r2.A = r1.A );
select r1.* from r1 inner join r2 on r1.A <> r2.A;
select r1.* from r1 where ( select count(*) from r2 where r2.A=r1.A ) = 0;
select r1.* from r1 where r1.A not in ( select A from ( select A from r1 intersect select A from r2) x );
Considerando um banco de dados no MS SQL Server ou no Oracle, assinale a opção que indica o comando que não produz esse resultado corretamente.
Provas
- Conceitos e FundamentosComponentes de um SGBD
- Conceitos e FundamentosConceitos Fundamentais de Banco de Dados
- Conceitos e FundamentosFunções de um SGBD
Provas
Provas
1 0100000 2 0000001 3 1000000 5 0000100 6 0010010 7 0001000
Assinale a opção que, da esquerda para a direita, contém os valores da referida coluna, na ordem física.
Provas
Analise o comando exibido a seguir.
truncate table T
Esse comando está disponível
Provas
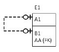
Analise o diagrama IDEF1X a seguir.

Assinale a opção que indica o script SQL que cria a tabela E1
corretamente.
Provas
Caderno Container