Foram encontradas 547 questões.
“Os condicionantes geológico-geotécnicos predisponentes (inclinação, tipo de terreno, etc.) e o nível de intervenção no setor são de média potencialidade para o desenvolvimento de processos de deslizamentos e solapamentos. Observa-se a presença de algum(ns) sinal/feição/ evidência(s) de instabilidade (encostas e margens de drenagens), porém incipiente(s). Processo de instabilização em estágio inicial de desenvolvimento. Mantidas as condições existentes, e reduzida a possibilidade de ocorrência de eventos destrutivos durante episódios de chuvas intensas e prolongadas, no período compreendido por uma estação chuvosa.” Assinale a alternativa que corresponde ao grau de risco descrito, de acordo com a Metodologia de Análise de Riscos estabelecida pelo Ministério das Cidades.
Provas
O equipamento dos ensaios triaxiais permite várias formas de carregamento, a partir do adensamento inicial, conforme apresentado na coluna I. Estabeleça a correta correspondência com os conceitos da coluna II.
Coluna I
1. Compressão por carregamento (CC)
2. Compressão por descarregamento (CD)
3. Extensão por carregamento (EC)
4. Extensão por descarregamento (ED)
Coluna II
( ) A pressão confinante é aumentada, enquanto a pressão axial é mantida constante.
( ) Após o confinamento, o corpo de prova tem sua tensão lateral monotonicamente reduzida, enquanto a tensão axial é mantida constante.
( ) É o ensaio convencional, em que a tensão axial é aumentada até a ruptura.
( ) Refere-se ao ensaio em que a tensão axial é reduzida, enquanto a pressão confinante é mantida.
A sequência correta é:
Provas
A alternativa que define a patologia de Eflorescência é:
Provas
A figura a seguir representa uma treliça com barras numeradas de 1 a 7. Considerando a estrutura, bem como, os esforços atuantes, assinale a alternativa correta.

Provas
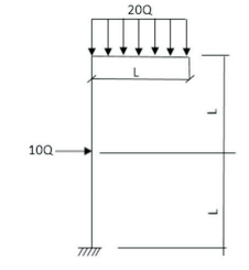
A figura a seguir representa uma estrutura metálica engastada na base e está submetida a um carregamento uniformemente distribuído na haste horizontal e a uma carga concentrada na haste vertical. Assinale a alternativa correta que representa o resultado do momento fletor M, do esforço cortante V e do esforço Normal N na seção do engaste.

Provas
O ensaio de MOHS na Norma NBR 13818/97 é denominado “determinação da dureza segundo a escala MOHS”. Nessa perspectiva, é correto afirmar que:
Provas
Sobre a Anotação de Responsabilidade Técnica e o Acervo Técnico Profissional, assinale a alternativa correta.
Provas
Assinale a alternativa INCORRETA, no que tange às diretrizes gerais de ordenação e controle do uso do solo, referente ao Estatuto da Cidade (Lei nº 10.257, de 10 de julho de 2001):
Provas
De acordo com a Lei nº 12.651, de 25 de maio de 2012, que “dispõe sobre a proteção da vegetação nativa”, é uma atividade eventual ou de baixo impacto ambiental:
Provas
Sobre a Lei nº 12.651, de 25 de maio de 2012, que “dispõe sobre a proteção da vegetação nativa”, a localização da área de Reserva Legal no imóvel rural deverá levar em consideração os seguintes estudos e critérios, EXCETO:
Provas
Caderno Container