Foram encontradas 1.200 questões.
Observe o circuito abaixo.

Sabendo que a corrente \( I_x=0 \), ou seja, não há diferença de potencial entre os pontos C e D, determine o valor da resistência R3 e assinale a opção correta.
Provas
Observe o circuito abaixo.

Para o circuito amplificador apresentado acima, qual é o valor do ganho na saída, em módulo, usando dB?
Dado: Rf = 100R1.
Provas
Observe o circuito abaixo.

Com base nessas informações, determine o valor da corrente I, e o valor da potência dissipada no resistor de 6R \( Ω \), respectivamente e assinale a opção correta.
Dado: R = 10 \( Ω \).
Provas
Em uma porta lógica OR de duas entradas, a saída será igual a zero sempre que as entradas também forem iguais a:
Provas
Observe o circuito abaixo.

Com base nessas informações, determine o valor da resistência total do circuito e o valor da corrente I, respectivamente e assinale a opção correta.
Provas
Observe o circuito abaixo.

Com base nessas informações, determine o valor da diferença de potencial entre os pontos B e D e assinale a opção correta.
Provas
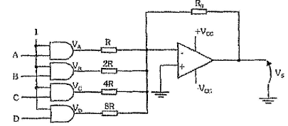
Analise a figura abaixo.

A figura apresentada acima é um exemplo de conversor:
Provas
Observe o circuito abaixo.

Segundo à curva característica do diodo, pode-se inferir do gráfico acima que, para uma tensão CC de 0,5 V nos terminais do diodo, o valor da sua resistência R é:
Provas
Leia o texto abaixo.
São memórias largamente utilizadas em circuitos digitais com microprocessadores, principalmente para o armazenamento de sistemas operacionais básicos residentes, responsáveis pelo funcionamento essencial do sistema, sobretudo no que se refere à conectividade elementar e funcional entre os circuitos integrados. Convém ressaltar que o apagamento dos dados se dá de maneira simultânea e compacta para o programa inteiro, sendo necessária a regravação total do programa em caso de modificações por mais simples que sejam.
Essa definição refere-se a que tipo de memória?
Provas
Assinale a opção que completa corretamente as lacunas das sentenças abaixo.
Definimos como sendo o número máximo de blocos lógicos que pode ser ligado à saida de outro da mesma família. Embora esta definição seja em nível de mesma família lógica, este fator pode ser determinado entre famílias é versões compatíveis. O está relacionado com as correntes máximas de saída e de entrada dos blocos lógicos, podendo ser determinado no nível 0 e no nivel 1.
Provas
Caderno Container