Foram encontradas 1.200 questões.
De acordo com a NBR 5410:2004, qual é a máxima queda de tensão permitida para circuitos terminais?
Provas
Coloque F (falso) ou V (verdadeiro) nas afirmativas abaixo, em relação aos condutos elétricos, assinalando a seguir a opção correta.
( ) Condutos é o nome genérico que se dá aos elementos utilizados para a instalação dos condutores elétricos.
( ) Não é permitido agrupar em um mesmo eletroduto circuitos com cabos de 16, 25 e 50 mm2.
( ) Os condutores vivos (fase e neutro) pertencentes a um mesmo circuito podem ser agrupados em eletrodutos distintos a fim de atender a taxa máxima de ocupação do eletroduto.
( ) A taxa máxima de ocupação em relação à área da seção transversal dos eletrodutos deve ser inferior a 60%,:no caso de três ou mais condutores ou cabos.
( ) Nas canaletas instaladas sobre paredes, em tetos ou suspensas, e nos perfilados podem ser instalados condutores vivos (fase e neutro) nus ou isolados.
Provas
Ao se aproximar o polo norte de um imã a uma espira condutora, sabe-se que será induzida uma corrente elétrica. A lei fundamental do eletromagnetismo que afirma que “a tensão induzida nessa espira tem polaridade tal que se opõe a variação de fluxo que produz a indução” é conhecida como:
Provas
Assinale a opção que completa corretamente as lacunas da sentença abaixo.
“Contatos são contatos de pessoas ou animais com massas que ficaram sob devido a uma falha de ”
Provas
Os transformadores de potencial podem ser especificados para aplicação direta nos serviços de:
Provas
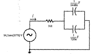
Analise a figura abaixo.

Calcule a queda de tensão no resistor de 3 \( Ω \) da figura acima e assinale a opção correta.
Provas
Analise o circuito abaixo.

Para o circuito acima, em regime permanente, qual é o módulo do valor eficaz da corrente i indicada na figura?
Dados: \( \sqrt2 \) = 1,41 e frequência = 60 Hz.
Provas
Analise o circuito abaixo.

Dado o circuito acima, calcule a energia armazenada pelo indutor considerando que o circuito está em regime permanente e assinale a opção correta.
Provas
Analise o diagrama abaixo.

Segundo a NBR-5410:2004, o esquema de aterramento representado no diagrama acima é:
Provas
Um transformador monofásico de 440/220 V e 75 kVA submetido a um ensaio de curto-circuito e a um ensaio a vazio apresentou os resultados abaixo.
| Ensaio | Curto-circuito | A vazio |
| Potência (W) | 750 | 250 |
| Tensão (V) | 7 | 220 |
| Corrente (A) | 170 | 2 |
A partir desses resultados, assinale a opção que apresenta as perdas aproximadas nos enrolamentos de cobre, para uma corrente equivalente a 80% da corrente nominal.
Provas
Caderno Container