Foram encontradas 1.200 questões.
Com relação ao processo de soldagem TIG, a polaridade do eletrodo afeta diretamente a penetração da junta soldada. Sendo C/C para corrente continua e CA para corrente alternada, assinale a opção correta.
Provas
Com relação aos compressores industriais, assinale a opção INCORRETA.
Provas
A figura abaixo é a ilustração do parafuso:

Provas
A simbologia representada na figura abaixo corresponde à válvula:
![]()
Provas
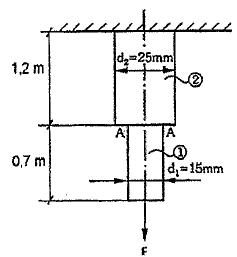
Observe a figura abaixo.

Na figura acima, duas barras de aço, 1 e 2, de seção reta circular, estão soldadas na seção AA. A carga de tração F que atua nas barras é de 5.400 N. Desprezando o peso próprio das barras, os alongamentos das barras 1 e 2, em mm, são respectiva e aproximadamente:
Dados:
E=210 GPa
\( \pi \)=3,1415
Provas
Em relação às propriedades magnéticas, é correto afirmar que:
Provas
Examine a figura abaixo.

Com base na tubulação industrial da figura acima, correlacione as nomenclaturas apresentadas abaixo aos itens representados na figura e assinale a opção correta.
( ) Boca de lobo.
( ) Derivação com luva.
( ) Acessórios para solda de topo.
( ) Curva.em gomos.
( ) Acessórios para solda de encaixe.
( ) Derivação com colar.
Provas
Sobre o ensaio de líquidos penetrantes, analise as afirmativas abaixo.
I - Por prejudicarem a futura utilização do material, tratase de um ensaio destrutivo.
II - O tipo mais comum de líquido penetrante é o querosene.
III - Como não permite detectar descontinuidade que se estende até a superfície, não pode ser considerado como um ensaio visual.
IV - Para uma ação efetiva do liquido penetrante, não é necessário que a superfície do material esteja completamente limpa.
Assinale a opção correta.
Provas
Correlacione os principais componentes do micrômetro a suas respectivas caracterlsticas, e assinale a opção que apresenta a sequência correta.
COMPONENTES DO MICRÔMETRO
I - Tambor
II - Trava
III - Catraca
IV - Arco
V - Fuso micromêtrico
VI - Porca de ajuste
CARACTERÍSTICAS
( ) Permite imobilizar o fuso numa medida predeterminada.
( ) Assegura uma pressão de medição constante.
( ) É onde se localiza a escala centesimal. Ele gira ligado ao fuso micrométrico.
( ) É construido de aço especial temperado e retificado para garantir exatidão do passo da rosca.
Provas
O cabo de aço 6 x 19 + AACI indica a sua construção da seguinte forma:
Provas
Caderno Container