Foram encontradas 100 questões.
Examine a figura abaixo.

Um transformador tem tensão no lado primário 1200 V e no secundário de 120 V, possui potência nominal aparente de 100 kVA e é conectado em forma de autotransformador, conforme figura acima. Assim, assinale a opção que quantifica a potência nominal aparente desse autotransformador, em kVA, e a tensão entre os terminais "a" e "c", em V.
Provas
Examine a figura abaixo.

Um circuito magnético com um único entreferro está mostrado acima. O núcleo tem permeabilidade infinita \( (\mu \rightarrow \infty) \) e estão desprezados os efeitos dos campos de fluxo disperso e de espraiamento no entreferro. A relutância do núcleo Rc e a do entreferro Rg são, respectivamente:
Dados: \( Ac = 5 cm^2, Ic = 40cm, g =\pi \ mm, N = 100 espiras \ e \ \mu_0 = 40 \pi \times 10^{-7} [H/m] \)
Provas
Examine as tabelas abaixo.

Ao dimensionar corretamente os condutores mmImos necessários para atender a carga que possui corrente de projeto calculada (IB) de 23,2 A, com fator de correção de agrupamento de 0,85 e fator de correção de temperatura de 0,87, foi encontrada a seção nominal do condutor em mm2. Foi determinada ainda a corrente nominal do disjuntor para proteção contra sobrecargas. Utilizando as tabelas acima, assinale a opção que apresenta corretamente a seção nominal do condutor e a corrente nominal do disjuntor, respectivamente.
Provas
Uma carga Y equilibrada é conectada a um gerador trifásico de quatro fios conectados em Y com uma tensão de linha senoidal de 208 V. Calcule o módulo da tensão de fase na carga e assinale a opção correta.
Dado: \( \sqrt 3 = 1,732 \).
Provas
Examine a figura abaixo.

O circuito regulador apresentado na figura acima utiliza um diodo zener ideal cuja tensão de ruptura é de 20 V. Considere a carga RL igual a 5 \( k \Omega \) e calcule a potência dissipada pelo diodo, assinalando a seguir a opção correta.
Provas
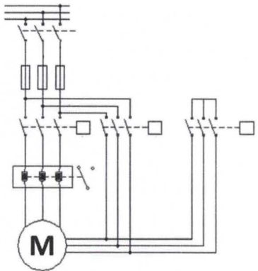
Examine a figura abaixo.

Como é denominado o circuito de acionamento apresentado na figura acima?
Provas
Um motor CC em derivação de 50 HP, 300 V e 1200 rpm, com enrolamentos de compensação a fim de tornar o fluxo constante, tem uma resistência de armadura total de 0,05 \( \Omega \). Seu circuito de campo tem uma resistência aproximada de 50 \( \Omega \), produzindo uma velocidade a vazio de 1200 rpm. Há 1200 espiras por polo no enrolamento do campo em derivação. Assim, calcule a velocidade desse motor quando a corrente de entrada é 130 A e assinale a opção correta.
Dados: Considerar 1 HP = 746 W, e desconsiderar os efeitos de reação de armadura.
Provas
Determine a topologia de amplificador apresentada na figura abaixo e assinale a opção correta.

Provas
Um motor de indução trifásico de seis polos, 400 V, 45 kW e 60 Hz, tem a plena carga velocidade de 1170 rpm. Qual é a frequência das correntes do rotor em Hz?
Provas
O militar do refeitório tem a função de preparar V = 60 litros de suco que será servido no almoço para a tripulação que trabalha a bordo de um navio da Marinha do Brasil. O comandante do navio determinou, para seu conforto e de sua tripulação, que todo suco deve ser servido a T2 = 5ºC. Com base nessa informação, assinale a opção que apresenta a quantidade de cubos de gelo, de massa mgelo = 15ºg a 0 C, que deve ser misturada ao volume de suco, de modo a atender à determinação do comandante do navio, considerando que o suco encontra- se inicialmente à temperatura ambiente, a \( T_1 = 25º C \), o calor específico e densidade do suco são, respectivamente 1,0 kcal/(kgºC) e 1000 kg/m3 , o calor latente da água é Lágua = 80 kcal/kg e que a mistura é realizada em recipiente rígido e adiabático.
Provas
Caderno Container