Foram encontradas 170 questões.
Coloque F (falso) ou V (verdadeiro) nas afirmativas abaixo, em relação aos circuitos digitais, assinalando a seguir a opção correta.
( ) A Faixa total de valores decimais que se podem representar com 9 bits é 1024bits.
( ) A conversão do número 21510 para hexadecimal é D 716.
( ) Com quatro dígitos em hexadecimal, pode-se contar um total de 65536 valores diferentes.
( ) O binary-coded-decimal (BCD) 011111010001 convertido em seu equivalente decimal é 7131.
( ) O código binário de 4 bits 1101 convertido para o código gray é 1100.
Provas
Para um sinal \( y(t) \), a transformada de Laplace Y(S) é definida por: \( Y(S) = \int^{+\infty}_{-\infty} y(t)e^{-st}dt \)
A resposta y(t) de um sistema descrito pela equação \( { \large d^2y \over dt^2} + { \large 5dy \over dt} + 6y(t) = {\large dx \over dt} + x(t) \) é:
Dado: considere a entrada \( x(t) = 3e^{-5t}u(t) \) e todas as condições iniciais = 0.
Provas
Analise o circuito abaixo:

Os valores de le, lc e Vc desse circuito são, respectivamente:
Dados: Vbe=0,7v
Provas
Observe a figura abaixo:

Os valores de lb, lc, VCE, Vc e VE para o circuito de polarização do emissor da figura acima são, respectivamente:
Dados: \( \beta = 70, Ic = Ie \ e \ V_{BE} = 0,7 \).
Provas
Observe o circuito RLC abaixo:

Considerando as condições iniciais nulas, calcule a função de transferência \( {\large E_0(s) \over E_i(s)} \) do circuito e assinale a opção correta.
Provas
Observe o circuito abaixo:

Sabendo que os diodos são ideais, calcule o nível CC de saída e a PIV (Tensão de pico inversa) requerida para cada diodo respectivamente, e assinale a opção correta.
Dado: R1=R2=R3 = 3 K\( \Omega \); Vi = 30 VCA
Provas
Analise os circuitos amplificadores abaixo:

A tensão de saída resultante nos amplificadores I e II para uma entrada de V1=3v será, respectivamente:
Provas
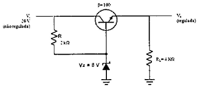
Observe o circuito abaixo:

Com base no circuito regular acima, calcule a tensão de saída (Vo) e a corrente no diodo zener (lz) , respectivamente, e assinale a opção correta.
Provas
Coloque F (falso) ou V (verdadeiro) nas afirmativas abaixo, em relação a diodos, assinalando a seguir a opção correta.
( ) Um material semicondutor que tenha sido submetido ao processo de dopagem é chamado de material extrínseco.
( ) O diodo semicondutor é diferente de uma chave mecânica porque, quando o chaveamento for fechado, permitirá somente que a corrente flua em um sentido.
( ) O potencial Zener de um diodo Zener independe da temperatura de operação.
( ) À capacitância de um diodo diminui exponencialmente com o aumento da tensão de polarização direta. Seus níveis mais baixos estão na região de polarização reversa.
Provas
Assinale a opção INCORRETA, considerando um experimento aleatório e os eventos O e Q associados, tais que \( P(O) = 1/2 \), \( P(Q) = 1/5 \) e \( P(O \cap Q) = 1/6 \).
Provas
Caderno Container