Foram encontradas 50 questões.
Considerando a teoria de Circuitos Integrados (Cl) lineares/ digitais, assinale a opção correta.
Provas
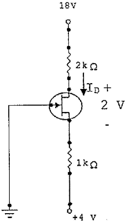
Analise a figura abaixo:

Considere que a figura acima seja um circuito JFET porta-comum, com o valor de VDS = 2 V, e assinale a opção correta.
Provas
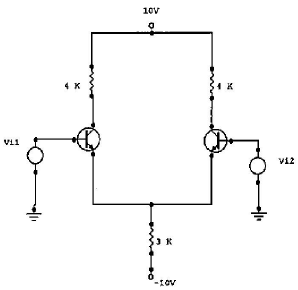
Observe o circuito abaixo:

A expressão de saída z para o circuito lógico combinacional abaixo é:
Provas
A simplificação para a expressão \( y = A\bar BC - A \bar B \bar C +[(\bar A + C)(A + C)] \) é:
Provas
Observe a figura abaixo:

O circuito de um Flip-Flop (FF) mais simples pode ser construído a partir de duas portas NAND ou duas portas NOR. Assim, assinale a opção correta sobre as saídas do circuito representado acima:
Provas
Coloque F (falso) ou V (verdadeiro) nas afirmativas abaixo, em relação aos circuitos digitais, assinalando a seguir a opção correta.
( ) A Faixa total de valores decimais que se podem representar com 9 bits é 1024bits.
( ) A conversão do número 21510 para hexadecimal é D 716.
( ) Com quatro dígitos em hexadecimal, pode-se contar um total de 65536 valores diferentes.
( ) O binary-coded-decimal (BCD) 011111010001 convertido em seu equivalente decimal é 7131.
( ) O código binário de 4 bits 1101 convertido para o código gray é 1100.
Provas
Para um sinal \( y(t) \), a transformada de Laplace Y(S) é definida por: \( Y(S) = \int^{+\infty}_{-\infty} y(t)e^{-st}dt \)
A resposta y(t) de um sistema descrito pela equação \( { \large d^2y \over dt^2} + { \large 5dy \over dt} + 6y(t) = {\large dx \over dt} + x(t) \) é:
Dado: considere a entrada \( x(t) = 3e^{-5t}u(t) \) e todas as condições iniciais = 0.
Provas
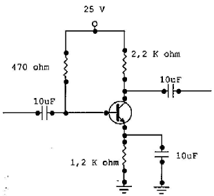
Analise o circuito abaixo:

Os valores de le, lc e Vc desse circuito são, respectivamente:
Dados: Vbe=0,7v
Provas
Observe a figura abaixo:

Os valores de lb, lc, VCE, Vc e VE para o circuito de polarização do emissor da figura acima são, respectivamente:
Dados: \( \beta = 70, Ic = Ie \ e \ V_{BE} = 0,7 \).
Provas
Observe o circuito RLC abaixo:

Considerando as condições iniciais nulas, calcule a função de transferência \( {\large E_0(s) \over E_i(s)} \) do circuito e assinale a opção correta.
Provas
Caderno Container