Foram encontradas 850 questões.
Assinale a opção que completa corretamente as lacunas da sentença abaixo.
O valor alternada ou valor rms de uma onda corresponde a 0,707 vezes o valor
Provas
Analise a expressão a seguir.
!$ S = ( \bar{A} + \bar{B} + \bar{C})* (A + B + \bar{C})^* (A + \bar{B} + C)^* (A + \bar{B} + \bar{C})^* ( \bar{A} + B + \bar{C})^* (A + B + C) !$
Assinale a opção que corresponde à expressão simplificada da expressão booleana acima.
Provas
Analise a figura a seguir.

Assinale a opção que apresenta corretamente os nomes das potências do triângulo de potências, mostrado acima, que representa as potências de um circuito de corrente alternada de carga indutiva com fator de potência igual a cos(8).
Provas
Analise o circuito de corrente alternada (ca) mostrado abaixo.

Qual é o ângulo formado entre o fasor da corrente alternada I e o fasor da tensão VRLc, quando o valor da reatância capacitiva Xc for igual ao valor da reatância indutiva XL?
Provas
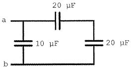
Analise o circuito a seguir.

Calcule a capacitância equivalente entre os pontos a e b do circuito acima, e assinale a opção correta.
Provas
Analise a figura abaixo.

Qual é o valor da palavra binária formada nas entradas binárias de endereço de A4 a A0 (A4A3A2A1A0) , considerando que A4 é o bit mais significativo (MSB), para acessar o dado armazenado no endereço (1A)16 da memória?
Provas
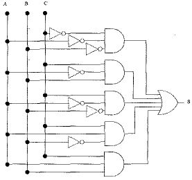
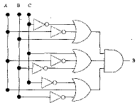
Analise o circuito a seguir.

O circuito digital acima apresenta saída S para as entradas de sinais binários A, B e C.
Assinale a opção que corresponde ao circuito digital que apresenta a saída S para as mesmas entradas A, B e C.
Provas
Analise a figura a seguir.

O contador assíncrono mostrado acima possui as saídas Q4, Q3, Q2, Q1 e Q0.
Assinale a opção que corresponde à saída que possui frequência 8 vezes menor que a frequência do sinal binário de Clock (CLK).
Provas
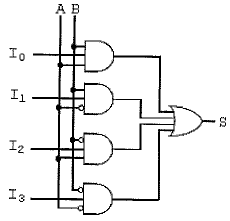
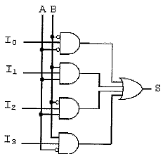
Analise a tabela verdade a seguir.
| A | B | S |
| 0 | 0 | I0 |
| 0 | 1 | I1 |
| 1 | 0 | I2 |
| 1 | 1 | I3 |
Assinale a opção que corresponde ao circuito multiplex com 4 entradas de sinal ( Io, I1, I2 e I3) e 2 entradas de seleção (A e B) , apresentado na tabela verdade acima.
Provas
Analise a figura a seguir.

Qual é a expressão booleana característica da porta lógica mostrada acima?
Provas
Caderno Container