Foram encontradas 850 questões.
Um condutor isolado 3 tem potencial V = 2, 0x103 V quando eletrizado com carga Q = 4, 0x10-6C. Calcule a capacitância, c, desse condutor.
Provas
Em relação à modulação angular, o sinal modulado tem como expressão genérica !$ e(t) = E_0 cos( \phi_i(t)) !$, em que !$ \varphi_i(t) !$ é a instantânea de e(t). Se !$ \varphi_i(t) = 2 \pi f_0 t + K_p 10^3 !$, qual é a frequência máxima instantânea (fi) de e(t)?
Dado: fo = 100 MHZ
!$ K_p = 2 \pi x 10^5\,\,rad/V !$
Provas
Analise o diagrama a seguir.

O princípio da modulação representado pelo diagrama acima consiste no fato de que o sinal modulante influencia exclusiva e diretamente a amplitude da portadora.
Sabendo que a frequência máxima do sinal modulante em(t) em banda base é fm e que a frequência da portadora é f0, muito maior que fm, qual é a banda ocupada pelo sinal modulado?
Provas
A resposta em frequência de um amplificador ca é um gráfico do ganho de tensão versus
Provas
O meio físico que é guiado, delgado, flexível e apresenta maior imunidade à interferência eletromagnética é denominado de
Provas
Assinale a opção que apresenta a sequência correta correspondente aos nomes das camadas do modelo de referência OSI da camada 2 até a camada 6.
Provas
A largura de banda de operacional não-inversor unitário dividida pelo
Provas
Analise a figura a seguir.

Um receptor realiza o produto do sinal AM-DSB-SC com o sinal de um oscilador local sintonizado em foL· O sinal resultante eMIX(t)é o resultado da conversão da frequência da portadora F0 para uma frequência intermediária fr, conforme mostra o
diagrama acima.
Assinale a opção correspondente à fOL que satisfaz a operação de conversão de f0 para fr?
Provas
A soma das diferenças de potencial de todas as cargas do campo eletrostático é conhecida como
Provas
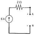
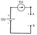
Dado o circuito equivalente Thevenin abaixo.

Em relação ao circuito acima, qual é o circuito equivalente Norton?
Provas
Caderno Container