Foram encontradas 1.300 questões.
Observe a figura a seguir.

Um técnico eletrotécnico, a bordo de um navio da Marinha do Brasil, avalia um circuito de comunicação que apresenta um capacitor variável de sintonia, cuja faixa vai de 20pF a 200pF, em serie com um capacitor fixo de 300pF, conforme a figura acima. Qual será a faixa de capacitância disponível para esse circuito de comunicação?
Provas
Os motores elétricos são máquinas capazes de transformar energia elétrica em energia mecânica, usando o princípio da reação entre dois campos magnéticos, e são classificados como motores de corrente contínua ou de corrente alternada. Assinale a opção que NÃO apresenta um exemplo de motor de corrente alternada.
Provas
Um capacitar de 0,5F está ligado a uma fonte de 50V. Assinale a opção que apresenta a carga acumulada por esse capacitar.
Provas
Um condutor elétrico tem comprimento L, diâmetro D e resistência elétrica R. Ao triplicar seu comprimento e duplicar o diâmetro, sua nova resistência elétrica passará a ser:
Provas
No Transformador de Corrente (TC) ideal, o valor da corrente secundária varia segundo a corrente circulante no primário. Assim sendo, qual é o valor da corrente secundária num TC de 150 - 5A que está inserido num circuito com corrente de 90A?
Provas
Qual é a condição específica para um circuito RLC série ficar em ressonância?
Provas
No Sistema Internacional (SI), as grandezas (energia, densidade de fluxo magnético, fluxo magnético e capacitância) são expressas, respectivamente, nas seguintes unidades:
Provas
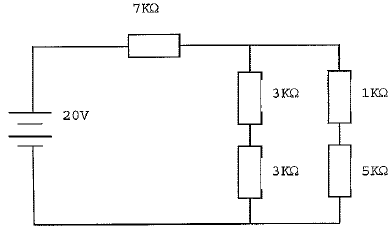
Observe o circuito a seguir.

Assinale a opção que apresenta o valor da corrente que passa pelo resistor de \( 7K Ω \) acima.
Provas
Qual é a energia consumida por uma carga elétrica, sabendo que a tensão no circuito é 220V, a corrente necessária é 30A e que este circuito está ligado durante 2 horas?
Provas
Observe as figuras a seguir.
(I)

(II)

(III)

(IV)

(V)

As máquinas de cc podem ser classificadas conforme as interconexões entre os enrolamentos do campo e da armadura. Com isso, assinale a opção que apresenta corretamente a nomenclatura das figuras acima.
Provas
Caderno Container