Foram encontradas 1.300 questões.
Sejam os pontos A, B, c, D e E, da figura 1 abaixo igualmente espaçados de L. No ponto D, está aplicada uma carga de intensidade p (valor absoluto)e existe, no plano da figura, um momento M = 3PL aplicado na sua extremidade.

Em relação às informações apresentadas, é correto afirmar que o momento fletor é zero no
Provas
Qual é a denominação de uma liga metálica constituída de ferro-carbono-silício com teores de carbono geralmente acima de 2%?
Provas
Analise a figura a seguir.

Assinale a opção que representa a simbologia de soldagem indicada na figura acima.
Provas
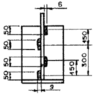
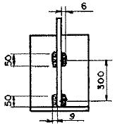
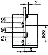
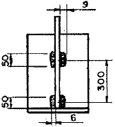
Assinale a opção que apresenta um desenho que contém uma omissão de corte.
Provas
Assinale a opção que apresenta uma característica do processo de soldagem com arco submerso.
Provas
01 (uma) polegada é uma medida equivalente a
Provas
As colunas que suportam os vaus para aumentar a rigidez da estrutura, quando o espaço entre anteparas estruturais é grande, ou para distribuir um esforço local para uma extensão maior do casco, denominam-se
Provas
Analise as vistas ortográficas abaixo:

As vistas acima correspondem a que modelo de perspectiva?
Provas
Obtenha o 9º termo do desenvolvimento do binômio \( (x^3+2)^{10} \) e assinale a opção correta.
Provas
Considere que a probabilidade de um indivíduo sofrer uma reação alérgica, resultante da injeção de um determinado medicamento, é de 0,003. Calcule a probabilidade de, entre mil pacientes, exatamente dois sofrerem reação alérgica, utilizando a distribuição de Poisson e assinale a opção correta.
Provas
Caderno Container