Foram encontradas 1.200 questões.
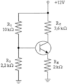
Analise a figura a seguir.

Supondo que no circuito acima passe uma corrente de base pequena, o suficiente para não afetar a tensão do divisor (pelo menos 20 vezes menor), quais serão, respectivamente, as tensões entre coletor e emissor (VCE) e entre a base e o terra (VB), na figura?
Provas
A memória flash é uma memória
Provas
Quais os dois fatores a seguir que são os principais responsáveis pelo alcance das transmissões de Rádio Frequência (RF)?
Provas
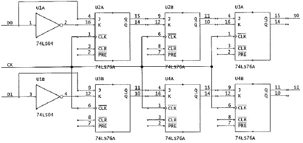
Analise o circuito a seguir.

Assinale a opção que caracteriza o circuito acima, considerando D0 e D1 as entradas e S0 e S1 as saídas.
Provas
Assinale a opção que apresenta três circuitos essenciais para um receptor super-heteródino.
Provas
As folhas de dados de um JFET fornecem os seguintes valores: IDSS = 20 mA; e Vp = 4,5 Volts.
De acordo com essas informações, assinale a opção que apresenta, respectivamente, a corrente de dreno máxima (ID) e a tensão de corte porta-fonte (VGS(off)) .
Dados: IDSS é a corrente de dreno para fonte com a porta curto-circuitada; e VP é a tensão de constrição ou estrangulamento.
Provas
Correlacione as grandezas físicas abaixo com os transdutores a elas relacionados, e assinale a opção que apresenta a sequência correta.
GRANDEZAS FÍSICAS
I - Pressão
II - Temperatura
III- Vazão de gases
IV - Corrente elétrica
TRANSDUTORES
( ) Efeito Hall.
( ) Cristal piezoelétrico.
( ) Termopar.
( ) Strain-gages.
( ) Termistor.
( ) Pirani.
( ) RTD.
Provas
Um microcomputador apresenta uma arquitetura baseada em um microprocessador de 16 bits de dados e 24 bits de endereço, 16 Mbytes de memória RAM e 64Kbytes de memória ROM, além de outros periféricos. Baseado nesta arquitetura e sabendo que a BIOS está gravada na ROM, é correto afirmar que:
Provas
Se uma linha de transmissão tiver como carga uma impedância diferente da impedância característica da própria linha, ao ser transmitido um sinal nesta linha de transmissão ocorrerá a formação de uma
Provas
Rampa Simples, Rampa Dupla e Aproximação Sucessiva são técnicas utilizadas em circuitos
Provas
Caderno Container