Foram encontradas 50 questões.
Quais são as duas características principais de um amplificador de FI?
Provas
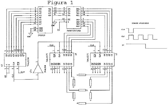
Analise o circuito e as tabelas a seguir.

Tabela-verdade U2
| $\overline{OE}$ | S | Função |
| L | L | Porta A = Porta B1 |
| L | H | Porta A = Porta B2 |
| H | X | Desconectado |
Tabela-verdade U3
| $\overline{CLR}$ | CLK | A | B | Qa | Qb | $\cdots$ | Qh |
| L | X | X | X | L | L | $\cdots$ | L |
| H | L | X | X | Qa0 | Qb0 | $\cdots$ | Qh0 |
| H | H | H | H | Qan | $\cdots$ | Qgn | |
| H | L | X | L | Qan | $\cdots$ | Qgn | |
| H | X | L | L | Qan | $\cdots$ | Qgn |
Tabela-verdade U4
| $\overline{CLR}$ | CLK | D | Q | $\bar{Q}$ |
| L | X | X | L | H |
| H | H | H | L | |
| H | L | L | H | |
| H | L | X | Q0 | $\bar{Q} 0$ |
No circuito da figura 1 acima, U1 é uma memória ROM, cujas 9 primeiras palavras (em hexa) são em sequência: 4, 3, E, 5, 7, 2, 1, 0, A, e as palavras restantes são iguais a F. Além disso, a figura 1 contém as formas de onda dos sinais CLK, CLR e Di. Acima são mostradas também, as tabelas-verdade dos circuitos integrados U2, U3 e U4. Assinale a opção que contém o algarismo que ficará aceso no display de 7 segmentos após o terceiro pulso do clock.
Provas
Considerando um JFET ideal, é correto afirmar que a sua impedância de entrada
Provas
Correlacione os níveis de tensão de uma porta lógica às suas respectivas descrições, e assinale em seguida, a opção que apresenta a sequência correta.
NÍVEIS DE TENSÃO
I - VOH
II - VOL
III- VIH
IV - VIL
DESCRIÇÕES
( ) Tensão mínima que a saída da porta pode fornecer no nível alto.
( ) Tensão mínima que a entrada da porta reconhece como nível alto.
( ) Tensão mínima que a entrada da porta reconhece como nível baixo.
( ) Tensão máxima que a entrada da porta reconhece como nível baixo.
( ) Tensão máxima que a saída da porta pode fornecer no nível alto.
( ) Tensão máxima que a saída da porta pode fornecer no nível baixo.
Provas
Analise o circuito a seguir.

A porta lógica CMOS do circuito acima apresenta entradas Schimitt-Trigger. Em relação à funcionalidade desse circuito, é correto afirmar que a saídas
Provas
Nas transmissões de sinais digitais ocorrem erros nos bits transmitidos, em decorrência de ruídos e distorções característicos dos canais de transmissão. Portanto, é necessária a utilização de métodos de detecção e correção desses erros, tais como:
Assinale a opção que não representa um desses métodos.
Provas
Um diodo Schottky usa um metal, como o ouro, a prata ou a platina, em um dos lados da junção, e um cristal de silício (especialmente do tipo n) do outro lado. Quando um diodo Schottky não está polarizado, é correto afirmar que:
Provas
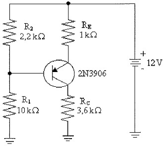
Analise a figura a seguir.

Considerando uma corrente de base pelo menos 20 vezes menor que a corrente no divisor, qual será a tensão entre coletor e emissor, na figura acima?
Provas
Analise a figura a seguir.

O SCR da figura acima tem VT = 0,70 Volts, IT = 7 mA e IH = 6 mA.
Assinale a opção que apresenta, respectivamente, a tensão de saída quando o SCR estiver desligado; a tensão de entrada que dispara o SCR; e o valor do Vcc para que o SCR abra.
Dados: VT é a tensão de disparo.
IT é a corrente de disparo.
IH é a corrente de manutenção.
Provas
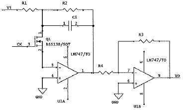
Analise o circuito a seguir.

No circuito acima a entrada Vi é um sinal analógico, CK é um sinal de clock e os resistores têm o mesmo valor. Assinale a opção que apresenta a denominação desse circuito.
Provas
Caderno Container