Magna Concursos

Foram encontradas 1.200 questões.

2423302 Ano: 2011
Disciplina: Engenharia Elétrica
Banca: Marinha
Orgão: Marinha

Em relação ao controle de motores de corrente contínua, os métodos de ajuste de tensão de armadura e de ajuste de corrente de campo são utilizados para:

 

Provas

Questão presente nas seguintes provas
2423301 Ano: 2011
Disciplina: Engenharia Elétrica
Banca: Marinha
Orgão: Marinha

Analise a figura a seguir.

Enunciado 3397105-1

Em relação à associação de resistores da figura acima, analise as afirmativas baixo.

I - Os três resistores estão ligados em série.

II - Os três resistores estão ligados em paralelo.

III- A resistência equivalente da associação vale:

!$ \large {R_1.R_2.R_3 \over R_1.R_2 + R_1.R_3 + R_2.R_3} !$

Assinale a opção correta.

 

Provas

Questão presente nas seguintes provas
2423300 Ano: 2011
Disciplina: Engenharia Elétrica
Banca: Marinha
Orgão: Marinha

Considere que um engenheiro eletricista especificou um equipamento para aquisição com fornecedores especializados, fornecendo dados relativos à tensão nominal da bobina, à frequência nominal, à tensão nominal, ao número mínimo de manobras e ao número de contatos (normalmente aberto e normalmente fechado). Sabendo que o referido equipamento é para instalação em baixa tensão, é correto afirmar que a descrição apresentada é a

 

Provas

Questão presente nas seguintes provas
2423299 Ano: 2011
Disciplina: Engenharia Elétrica
Banca: Marinha
Orgão: Marinha

Para que um motor tenha o acionamento intermediado por uma chave estrela-triângulo é necessário que ele seja:

 

Provas

Questão presente nas seguintes provas
2423298 Ano: 2011
Disciplina: Engenharia Eletrônica
Banca: Marinha
Orgão: Marinha

Analise o circuito a seguir.

Enunciado 3397099-1

Dado o circuito acima, e considerando a corrente i(t) = 5 sen !$ \omega !$t (A), qual a queda de tensão entre os pontos a e b?

 

Provas

Questão presente nas seguintes provas
2423297 Ano: 2011
Disciplina: Engenharia Elétrica
Banca: Marinha
Orgão: Marinha

Uma lâmpada fluorescente de 40 watts emite 2.900 lumens e uma lâmpada incandescente de 200 watts emite 2.980 lumens. Comparando-se essas duas lâmpadas, é correto afirmar que a lâmpada fluorescente tem um rendimento quantas vezes maior que a incandescente?

 

Provas

Questão presente nas seguintes provas
2423296 Ano: 2011
Disciplina: Engenharia Elétrica
Banca: Marinha
Orgão: Marinha

Qual é a finalidade do resistor shunt em medidas elétricas?

 

Provas

Questão presente nas seguintes provas
2423295 Ano: 2011
Disciplina: Engenharia Elétrica
Banca: Marinha
Orgão: Marinha

Um transformador de distribuição de 50kVA e relação de transformação 440V/120V de um navio de guerra da Marinha do Brasil foi submetido a dois testes, cujos resultados são apresentados a seguir.

Teste de circuito aberto, instrumentos no lado de baixa tensão:

- leitura do wattímetro = 600W

- leitura do amperímetro= 10A

- leitura do voltímetro= 120V

Teste de curto-circuito, instrumentos no lado de alta tensão:

- leitura do wattímetro = 1.000W

- leitura do amperímetro= 50A

- leitura do voltímetro= 100V

O valor da reatância de magnetização referida ao lado de baixa, e o da resistência e reatância equivalentes referidas ao lado de alta são, em !$ \Omega !$, respectivamente:

 

Provas

Questão presente nas seguintes provas
2423294 Ano: 2011
Disciplina: Engenharia Elétrica
Banca: Marinha
Orgão: Marinha

Qual a potência mecânica, em HP, no eixo de um motor elétrico com rendimento de 90%, fator de potência igual a 0,9 e corrente nominal igual a 50A, ligado em uma rede trifásica, com 220V entre fases?

 

Provas

Questão presente nas seguintes provas
2423293 Ano: 2011
Disciplina: Engenharia Elétrica
Banca: Marinha
Orgão: Marinha

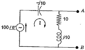
Analise o circuito a seguir.

Enunciado 3397088-1

Determine a tensão equivalente de Thevenin entre os pontos A e B e do circuito acima, e assinale a opção correta.

 

Provas

Questão presente nas seguintes provas