Magna Concursos

Foram encontradas 1.200 questões.

2423282 Ano: 2011
Disciplina: Engenharia Elétrica
Banca: Marinha
Orgão: Marinha

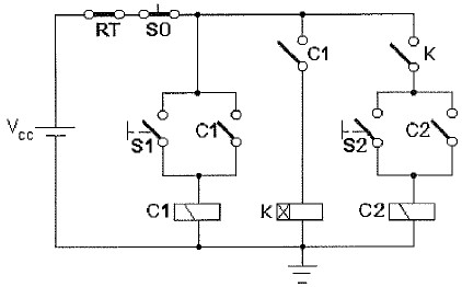
Analise a figura a seguir.

Enunciado 3397065-1

A figura acima apresenta o circuito lógico para o comando de duas máquinas trifásicas, acionadas por intermédio dos contatares C1 e C2. As chaves S0, S1 e S2 são do tipo sem retenção, e K representa um relé com retardo na ligação, programado para 5 minutos. Considere que acionar uma chave significa apertá-la e soltá-la em seguida. Com relação ao funcionamento do sistema, em condições normais, e supondo os contatares C1 e C2 inicialmente desenergizados, analise as afirmativas abaixo.

I - Se a chave S1 for acionada, então a máquina comandada por C1 entrará em funcionamento e, após 5 minutos, a máquina comandada por C2 também entrará em funcionamento.

II - Se a chave S2 for acionada, a máquina comandada por C2 entrará imediatamente em funcionamento, independente do estado do contatar C1.

III- Se as chaves S1 e S2 forem acionadas nesta ordem, porém com defasagem de 2 minutos, então somente a máquina comandada por C1 entrará em funcionamento.

Assinale a opção correta.

 

Provas

Questão presente nas seguintes provas
2423281 Ano: 2011
Disciplina: Engenharia Elétrica
Banca: Marinha
Orgão: Marinha

Qual o valor da reatância indutiva, em !$ \Omega !$, de uma bobina do primário de um transformador de potência, que apresenta indutância de 50mH, resistência desprezível, e opera a uma frequência de 60Hz?

 

Provas

Questão presente nas seguintes provas
2423280 Ano: 2011
Disciplina: Engenharia Elétrica
Banca: Marinha
Orgão: Marinha

Analise o circuito a seguir.

Enunciado 3397061-1

Determine a resistência de Thevenin entre os pontos b e c, e assinale a opção correta.

 

Provas

Questão presente nas seguintes provas
2423279 Ano: 2011
Disciplina: Engenharia Elétrica
Banca: Marinha
Orgão: Marinha

Toda instalação elétrica de alta e baixa tensão, para funcionar satisfatoriamente e com segurança, deve ter um sistema de aterramento dimensionado adequadamente para as condições de cada projeto. Em relação a essas informações, é correto afirmar que:

 

Provas

Questão presente nas seguintes provas
2423278 Ano: 2011
Disciplina: Engenharia Elétrica
Banca: Marinha
Orgão: Marinha

Uma máquina elétrica de 2 polos tem uma onda de densidade de fluxo retangular de 1T de altura; comprimento axial "1" de 0,5m; rotor com raio "r" de 0,2m; e rotor com uma única bobina de 20 espiras com passo pleno. Quando a corrente na bobina for 1A e a velocidade de rotação 955rpm, qual será o valor do torque e da f.e.m. induzida, respectivamente?

 

Provas

Questão presente nas seguintes provas
2423277 Ano: 2011
Disciplina: Engenharia Elétrica
Banca: Marinha
Orgão: Marinha

Se uma bobina de 10 espiras, com núcleo de ar e com 10 cm de comprimento for percorrida por uma corrente de 10A, qual será a intensidade de campo?

 

Provas

Questão presente nas seguintes provas
2423276 Ano: 2011
Disciplina: Engenharia Elétrica
Banca: Marinha
Orgão: Marinha

Qual é o valor da corrente elétrica, que passa por um determinado ponto de um condutor, resultante do movimento de uma carga elétrica de 50 Coulombs durante 10 segundos?

 

Provas

Questão presente nas seguintes provas
2423275 Ano: 2011
Disciplina: Engenharia Elétrica
Banca: Marinha
Orgão: Marinha

A relação entre o fluxo luminoso recebido no plano de trabalho (fluxo útil), isto é, aquele que incide efetivamente no plano de trabalho, e o fluxo luminoso inicial emitido pela luminária (fluxo total), é uma grandeza utilizada no cálculo de iluminação de interiores. Essa grandeza é denominada:

 

Provas

Questão presente nas seguintes provas
2423274 Ano: 2011
Disciplina: Segurança e Saúde no Trabalho (SST)
Banca: Marinha
Orgão: Marinha

Todos os equipamentos elétricos devem oferecer segurança ao pessoal que os utiliza. Segundo a ABNT e pelas normas IEC, os graus de proteção dos equipamentos elétricos são especificados pelas letras IP seguidas de dois algarismos. Em relação a esses algarismos, é correto afirmar que o primeiro algarismo indica o nível de

 

Provas

Questão presente nas seguintes provas
2423273 Ano: 2011
Disciplina: Engenharia Elétrica
Banca: Marinha
Orgão: Marinha

A chave estrela-triângulo é muito utilizada para a partida de motores, devido ao seu custo reduzido, à praticidade e a outras vantagens. Para um motor que pode ser ligado nas configurações estrela e triângulo, a utilização desta chave poderá reduzir a corrente de partida

 

Provas

Questão presente nas seguintes provas