Foram encontradas 1.250 questões.
Quais são os três métodos básicos para a obtenção da modulação AM-SSB?
Provas
Coloque V (Verdadeiro) ou F (Falso) nas afirmativas abaixo, em relação aos conceitos fundamentais do eletromagnetismo, assinalando a seguir a opção correta.
( ) A intensidade do campo magnético em torno do condutor que conduz uma corrente é diretamente proporcional à intensidade desta corrente, ou seja, para uma corrente alta, o campo será grande e para uma corrente baixa, o campo será pequeno.
( ) A regra da mão direita é uma forma conveniente de se determinar a relação entre o fluxo de corrente num condutor (fio) e o sentido das linhas de força do campo magnético em volta do condutor.
( ) Os eletroímãs são amplamente usados em dispositivos elétricos como os relês.
( ) Num circuito magnético, a oposição que um material oferece à produção do fluxo magnético é chamada de relutância, que corresponde à resistência num circuito elétrico.
( ) Quanto mais espiras houver na bobina, mais alta é a tensão induzida num condutor.
Provas
Analise a Tabela da Verdade a seguir.

Qual a função que a Tabela da Verdade acima executa?
Provas
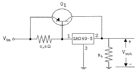
Observe o circuito a seguir.

Na fonte de alimentação representada pela figura acima, o LM340-5 é o circuito integrado (CI) regulador de tensão. Logo, é INCORRETO afirmar que:
Provas
Correlacione as memórias às suas definições e assinale a opção que apresenta a sequência correta.
MEMÓRIAS
I - EPROM
II - RAM
III- ROM
IV - PROM
DEFINIÇÕES
( ) Memória programável e apagável.
( ) Memória programável e não apagável.
( )Memória que permite a escrita e a leitura dos dados, e possui acesso aleatório.
( )Memória que permite somente a leitura dos dados.
( )Memória programável que possui acesso aleatório.
Provas
Observe o circuito da Figura 1. Trata-se do diagrama esquemático do indicador de sete segmentos da Figura 2.

Que terminais deverão ser aterrados na Figura 1, para obter o dígito 7 no indicador de sete segmentos da Figura 2?
Provas
Uma onda eletromagnética se propaga no vácuo à velocidade da luz. Sabendo-se que o comprimento da onda é de 2 metros, em que faixa de frequências ela se propaga?
Provas
Observe a figura a seguir.

Flip-flop tipo D
O flip-flop tipo D acima é obtido a partir de um flip-flop
Provas
Uma portadora cossenoidal de 90 MHz e 90 VPP é modulada em frequência por um tom cossenoidal de 5 KHz e 10 VPP' num circuito cuja constante de modulação FM é 16!$ π !$.103 rd/V.s . Nessas condições, qual o desvio máximo de frequência do sinal modulado?
Provas
Observe o bloco a seguir.

Assinale a opção que descreve o funcionamento do Multiplex acima.
Provas
Caderno Container