Foram encontradas 1.250 questões.
Observe a figura a seguir.

Que tipo de antena é representado pela figura acima?
Provas
Observe a forma de onda a seguir apresentada na tela de um osciloscópio.

Sabendo-se que o osciloscópio acima foi ajustado para 5 V por divisão na vertical e 5 ms por divisão na horizontal, a amplitude de tensão pico a pico (Vpp) e a frequência da forma de onda apresentada, considerando a utilização de uma ponta de prova 1:1, serão, respectivamente:
Provas
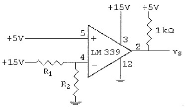
Observe o circuito a seguir.

Considerando que o amplificador operacional acima, possui em seu estágio de saída um único transistor com coletor aberto, assinale a relação entre R1 e R2 que contenha somente valores para a condição da tensão de saída, VS , igual a +5V.
Provas
Os dois sinais dados a seguir são utilizados numa modulação AM-DSB.
Sinal da portadora ➔ eo (t) = l00cos (5 .105 !$ π !$t)
Sinal modulante ➔ em(t) = 20cos(2507!$ π !$t)
De acordo com os dois sinais apresentados acima, qual será a expressão do sinal modulado?
Provas
Um amplificador de micro-ondas,que opera na faixa de 2 a 4 GHz, para uma potência de entrada de 3dBm produz uma potência de saída de 3dBW. Qual o ganho desse amplificador?
Dado: log 2 = 0,3
Provas
Observe o circuito a seguir.

As correntes nos resistores RL e RS , e no Dz (Diodo Zener) são, em miliamperes, respectivamente:
Provas
Observe o circuito a seguir.

Qual é a corrente em Rc, a potência em Rc e a potência no diodo de silício acima, respectivamente?
Dado: VD=0, 7V
Provas
Observe o circuito a seguir.

No circuito acima, considere o amplificador operacional como sendo ideal. Nessas condições, qual a amplitude do sinal de saída,Vs , para V1 = V2 e com amplitude de 10 mV?
Provas
Um determinado amplificador de tensão possui a sua resposta de frequência total definida pelas frequências de corte f 1 = 500 Hz e f 2 = 400 kHz. Considerando que a amplitude do sinal de saída nas frequências de corte é de 70,7 mV, qual será a amplitude aproximada do sinal de saída desse amplificador na frequência de 2 kHz?
Provas
Sobre os parâmetros híbridos (h) do transistor, é correto afirmar que
Provas
Caderno Container