Foram encontradas 950 questões.

Observando a figura de Lissajous acima, assinale a opção que apresenta determine a frequência do sinal aplicado entre as placas de deflexão horizontal de um osciloscópio, sabendo-se que nas placas de deflexão vertical foi aplicado um sinal de frequência 800 Hz.
Provas
Um técnico de laboratório mede com um voltímetro uma queda de tensão de 10,5 Volts sobre um resistor em um determinado circuito. Sabendo-se que Ve é o valor verdadeiro e que é igual a 10 Volts. Assinale a opção que apresenta o erro absoluto (\( \Delta \)V)e erro relativo percentual (%), respectivamente:
Provas
as frequências da faixa SHF são utilizadas em radares, comunicações via satélite e rádio-altímetros. A faixa de SHF É de
Provas
Assinale a opção que completa corretamente as lacunas da sentença abaixo.
Duas cargas elétricas pontuais de mesmo sinal estão separadas entre si por uma distância “d". Se aumentar em 3 vezes a distância entre elas, a intensidade da força em vezes e o tipo de força empregado é de .
Provas
Assinale a opção que apresenta o modo dominante de propagação/operação em guias de onda retangulares.
Provas
Qual é o desvio de frequência em KHz máximo permitido para radiodifusão comercial FM:
Provas
\( F=AB+AC+A\overline{B}+\overline{A}C+ABC \)
Simplifique a função Booleana acima e assinale a opção correta.
Provas

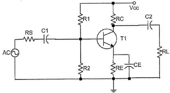
Sobre o circuito equivalente AC do circuito acima, é correto afirmar que
Provas

Dois dos circuitos abaixo fornecem o mesmo ganho de tensão e a mesma relação de fase entre o sinal de entrada e o sinal de saída. Quais são os circuitos?
Provas
A onda espacial aproveita a constituição da atmosfera terrestre para efetuar a propagação, principalmente, na ionosfera. Para que faixa de frequência a constituição da ionosfera comporta-se como um espelho para incidência de ondas eletromagnéticas, refletindo-as de forma praticamente perfeita?
Provas
Caderno Container