Foram encontradas 950 questões.
Assinale a opção que apresenta respectivamente a gama de frequências reservadas para radiodifusão comercial AM-DSB, o número de divisão de canais e a largura de faixa de cada canal.
Provas
Uma onda portadora de 100V pico-a-pico e frequência de 1MHz é modulada por (AM) com uma informação cossenoidai de 50Vpp e I1klz. Para este caso, determine a expressão do sinal modulado e assinale a opção correta.
Provas
Qual o valor da SWR-ROE( Relação de Onda Estacionária)de uma antena de 150 \( \Omega \) alimentada por um cabo balanceado de 600 \( \Omega \)?
Provas
Qual é o modo dominante de propagação/operação em guias de onda circulares?
Provas
O radar é um dispositivo que emprega ondas de rádio para detectar e localizar objetos tais como aviões, navios e massas na terra. Assinale a opção que apresenta a expressão representada pela sigla radar,
Provas

Qual é o valor aproximado de RC no circuito acima?
Provas
Um tom cossenoidal de 2kHz e 20 Vpp modula em FM uma portadora de 10 MHz e 100Vpp em circuito cuja constante é 125,66 rd/V.s. Qual é o índice de modulação em radianos?
Provas

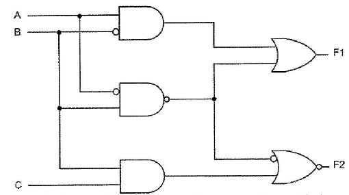
No circuito lógico acima quais são as saídas lógicas (F1,F2) que correspondem às entradas (A,B,C) = (0,1,1) e (A,B,C) = (0,0,0)?
Provas
Uma portadora cossenoidal de 100 MHz e 100 Vpp é modulada em frequência por um tom cossenoidal de 10 KHz e 20 Vpp, num circuito cuja constante é 8\( \Pi \).103 rd/s. Qual é o desvio máximo de frequência no sinal modulado (\( \Delta \)f)e a largura de faixa (B) ocupada pelo sinal modulado, respectivamente?
Provas
A polarização de onda eletromagnética é definida em função da posição do
Provas
Caderno Container