Foram encontradas 429 questões.
O circuito de corrente contínua representa uma fonte de tensão ideal E, alimentando um conjunto de resistências e fornecendo uma corrente de 3 A. O objetivo é criar, na saída, um divisor de tensão de 24, 20 e 12 volts, sobre o conjunto de resistências R1, R2 e R3, exatamente como está representado na Figura abaixo.

Com base nos valores indicados no circuito dessa Figura, para que o circuito forneça as tensões indicadas, o valor do resistor R3, em ohms, deverá ser de
Provas
Na Figura abaixo estão esquematizados dois interruptores paralelos (three-way), uma lâmpada e os terminais na fase e no neutro da fonte.

A correta ligação entre esses elementos é
Provas
A manutenção pode ser entendida como procedimentos que visam a prolongar ao máximo possível a vida útil de um equipamento. A respeito da manutenção de motores elétricos, relacione os tipos de manutenção e suas respectivas características apresentadas a seguir:
I - Preventiva
II - Corretiva
P - Relubribrificar os mancais de um motor com o tipo e quantidade de graxa especificados e seguir intervalos estabelecidos desse procedimento.
Q - Trocar a graxa dos mancais de um motor que não possua graxeira, decorrente de sobreaquecimento.
R - Proceder uma relubrificação de um motor que possua graxeira com o motor em operação, decorrente de indicadores que sinalizam para essa necessidade.
As associações corretas são:
Provas
Um cliente entra em uma loja de material de construção com a intenção de adquirir um chuveiro elétrico para instalar em seu banheiro. Após escolher o modelo desejado, de 4.500 W, ele precisa decidir se leva o de 127 V ou o de 220 V. Por não entender do assunto, solicita que um vendedor lhe dê explicações.
Dentre as explicações abaixo, a única, dada pelo vendedor, capaz de esclarecer corretamente o cliente, seria que:
Provas
Considere o circuito elétrico da Figura abaixo onde uma fonte de tensão CC ideal alimenta um conjunto de resistores. Um técnico inicia uma série de ensaios nesse circuito, utilizando um voltímetro e um amperímetro, ambos considerados ideais. Seu objetivo é verificar o impacto nas tensões do circuito, causado pela conexão de um amperímetro entre os pontos A e B.

Assim, com o voltímetro, ele ficou monitorando a tensão entre o ponto A e o ponto de terra, medindo, inicialmente, em volts, o valor VAA (tensão no ponto A antes). Em seguida, ele conectou os terminais do amperímetro entre os pontos A e B e observou que a tensão no voltímetro media o valor VAD (tensão no ponto A depois).
Com base no que foi acima exposto e nos dados apresentados no circuito, as tensões, em volts, VAA e VAD, respectivamente, são
Provas
Existem diversos materiais largamente utilizados no setor elétrico e eletrônico devido às suas características elétricas e magnéticas.
Um desses materiais é o
Provas
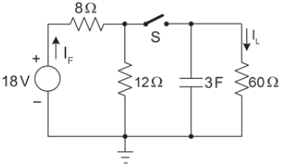
O circuito elétrico da Figura abaixo, cujos componentes são considerados ideais, está sendo alimentado por uma fonte de tensão CC de 18 V e encontra-se funcionando em regime permanente, com a chave S fechada. Em determinado instante, a chave S é aberta.

Imediatamente após a abertura da chave S, a corrente IF , fornecida pela fonte, tem o seu valor
Provas
Considere o diagrama pressão por volume de um motor com ciclo Otto real.

Adaptado de “Máquinas Térmicas Estáticas e Dinâmicas – Fundamentos
de Termodinâmica, Características Operacionais e Aplicações”,
de Guilhermo Filippo Filho, Editora Érica, 2014.
Os tempos I, II, III e IV equivalem, respectivamente, a
Provas
Uma carga monofásica, formada por um resistor de resistência R [ohms] em paralelo com um indutor de indutância L [henrys], é testada para as duas frequências típicas em sistemas elétricos.
Durante os testes, a carga é alimentada por uma fonte de tensão ideal, senoidal, de frequência ajustável, e os resultados dos ensaios estão apresentados na Tabela abaixo.
| Testes |
Frequência da fonte (Hz) |
Potência ativa da carga (W) |
Potência reativa da carga (VAr) |
| Teste 1 | 60 Hz | P1 | Q1 |
| Teste 2 | 50 Hz | P2 | Q2 |
Nas condições especificadas acima, as relações entre as potências ficam, assim, quantificadas:
Provas
Em uma instalação predial com alimentação trifásica ocorreu uma sobretensão em um circuito que sai de um quadro de distribuição trifásico, cujas fases estão desbalanceadas.
Uma das razões que pode ter motivado esse evento é o(a)
Provas
Caderno Container