Foram encontradas 429 questões.
Dentre os amplificadores apresentados a seguir, qual é o único circuito em que o transistor está polarizado adequadamente para operar como um elemento amplificador razoavelmente linear?
Provas
A esteira de uma linha de engarrafamento de recipientes é acionada por um motor de indução trifásico de 6 polos. Em condição nominal de operação, a frequência da tensão de alimentação desse motor é de 60 Hz, e o escorregamento é de 1/50.
Nessa condição, o valor da velocidade de rotação do eixo do motor, em rpm, é
Provas
A Figura 1, mostrada abaixo, apresenta o circuito elétrico de um retificador a diodo monofásico que alimenta uma carga puramente resistiva, o qual passou por uma inspeção durante a manutenção corretiva por apresentar um problema de operação.

Foi constatado que o diodo D2 estava queimado, o que significa um circuito aberto. Em uma das medições realizadas para identificar o problema, foi utilizado um osciloscópio para visualizar a forma de onda da tensão sobre a carga, Vr, tendo como entrada a tensão Vs da fonte. A Figura 2, apresentada abaixo, mostra a forma de onda da tensão da fonte, Vs, em que Vp é o valor de pico da onda.

Considerando-se os outros diodos ideais, e de acordo com as informações apresentadas, a forma de onda da tensão, Vr, sobre a carga, com o diodo D2 queimado é
Provas
Um motor a combustão interna, a gasolina, apresenta os seguintes dados nominais:
• Potência máxima: 62,8 kW a 5.000 rotações por minuto;
• Torque máximo: 100 N.m a 3.000 rotações por minuto.
Em condições de torque máximo, a potência desenvolvida pelo motor, em relação à potência máxima, é, aproximadamente, de
Provas
Considere um circuito hipotético, composto por um retificador trifásico, ponte completa, ideal, alimentado por uma fonte senoidal, trifásica e equilibrada, alimentando uma carga puramente resistiva. Admitindo-se que seja necessária a redução do ripple da tensão de saída do conversor, um capacitor de filtragem é colocado em paralelo com a carga resistiva.
Comparando-se a condição antes e após a inserção do capacitor de filtragem no retificador, constata-se que o(a)
Provas
Um retificador trifásico ideal, ponte completa, alimentado por uma fonte senoidal, trifásica e equilibrada, opera com frequência igual a 60 Hz e alimenta uma carga puramente resistiva. Na entrada desse retificador, o valor eficaz da tensão fase-neutro é igual a 100 V, e o valor da resistência de carga é igual a 10 !$ \Omega !$.
O valor aproximado, em watts, da potência média dissipada na carga é

Provas
Considere um retificador monofásico ideal, ponte completa, alimentado por uma tensão senoidal com frequência 60 Hz, tendo, em sua saída, uma carga altamente indutiva, representada por uma fonte de corrente constante de 10 A.
Nestas condições, o valor, em ampères, da corrente média na entrada do retificador é
Provas
A seção de manutenção de uma empresa está trabalhando na análise do histórico de manutenção corretiva dos motores empregados na sua planta industrial.
Nesse histórico de manutenção, verifica-se que os rolamentos dos motores têm sido trocados a cada 12 meses.
Verifica-se, ainda, que quando rolamentos são trocados no momento em que apresentam defeito, os motores ficam inoperantes por cerca de 8 horas, causando uma redução da produção da fábrica.
De modo a reduzir o tempo de indisponibilidade das máquinas, decidiu-se efetuar a troca dos rolamentos, em horários programados, a cada 10 meses, e, como resultado, observou-se que o tempo em que as máquinas ficavam inoperantes passou a ser de 2 horas.
Diante do exposto, constata-se que a fábrica
Provas
Um técnico é responsável pela manutenção dos equipamentos de uma fábrica de peças. Em um determinado momento, ele recebe uma solicitação do chefe da equipe para consertar uma peça do torno que apresentou problemas, eixando a máquina inoperante. O técnico se desloca para o local e efetua o reparo da peça, colocando o torno em operação.
Na situação exposta, o tipo de manutenção executada pelo técnico é
Provas
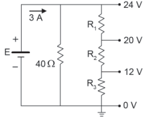
O circuito de corrente contínua representa uma fonte de tensão ideal E, alimentando um conjunto de resistências e fornecendo uma corrente de 3 A. O objetivo é criar, na saída, um divisor de tensão de 24, 20 e 12 volts, sobre o conjunto de resistências R1, R2 e R3, exatamente como está representado na Figura abaixo.

Considere que o terminal de 12 V da saída, que aparece sobre o resistor R3, seja utilizado como fonte de tensão para alimentar uma determinada carga resistiva.
Para que a corrente drenada pela carga seja de 1 ampere, qual o valor, em ohms, dessa carga?
Provas
Caderno Container