Foram encontradas 504 questões.
Uma liga ferrosa com aplicações típicas em vasos criogênicos, em processamento químico e processamento de alimentos é o aço
Provas
Pela lei de Fourier, a taxa de condução de calor, através da camada plana, é inversamente proporcional à(ao)
Provas
Provas

O circuito acima representa um amplificador não inversor. Para fins de cálculo, todos os elementos do circuito são ideais.
Sabendo-se que Vi vale 1 mV de pico, determine a tensão de pico de saída Vo, em mV, representada no circuito.
Provas

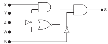
Determine a função Booleana S diretamente do circuito lógico acima.
Provas

Os disjuntores de potência são equipamentos destinados à manobra e à proteção de circuitos, capazes de interromper grandes potências de curto circuito. A Figura acima mostra um tipo de disjuntor ainda muito encontrado nas indústrias.
Nesse tipo de disjuntor, a realização da manutenção requer, fundamentalmente, cuidados com os seguintes itens:
Provas
Nesse sistema, a válvula W deve ser aberta para permitir a entrada de gás, sempre que duas ou mais válvulas de saída estiverem abertas, ou quando a pressão no interior do tanque estiver abaixo do mínimo desejado.
Qual é o circuito digital que deve ser usado para produzir o sinal de comando da válvula W?

Provas

O esquema acima representa um circuito lógico combinacional. Nos testes 1, 2 e 3, especificados na Tabela abaixo, os níveis zero lógico serão representados por “0” e o nível um lógico será representado por “1”, e indicam a excitação das entradas X, Y, Z e W ou o nível lógico da saída S do circuito investigado.

Qual o nível lógico esperado na saída S para os testes 1, 2 e 3, respectivamente?
Provas

Os circuitos I e II da Figura acima representam duas aplicações práticas usando-se amplificadores operacionais.
Quais são, respectivamente, essas aplicações?
Provas

Considere que o transistor Q1 apresenta parâmetro β = 80, |VBE| = 0,7 V quando conduzindo corrente elétrica e |VCE| = 0,2 V quando operando em saturação.
Dessa forma, a potência média, em watts, dissipada pelo resistor de carga RL é
Provas
Caderno Container