Foram encontradas 884 questões.

Tendo como base o circuito digital ilustrado na figura precedente, assinale a opção que indica os valores binários de Ainv,Binv, Vem_Um,_Vai_Um, Op1 e Op2, respectivamente, para que, na saída do multiplexador, seja apresentada a operação booleana !$ \left ( \overline{A\quad OR\quad B} \right ) !$ para todas as entradas possíveis de A e B.
Provas
Disciplina: TI - Organização e Arquitetura dos Computadores
Banca: CESPE / CEBRASPE
Orgão: Itaipu
As unidades lógicas aritméticas (ULA) têm papel fundamental na realização de operações aritméticas em diversas arquiteturas computacionais modernas. Atualmente, todas as implementações de ULA possuem, ao menos, uma unidade para detecção de overflow nas operações realizadas. Em relação às unidades de detecção de overflow, é correto afirmar que
Provas
Disciplina: TI - Redes de Computadores
Banca: CESPE / CEBRASPE
Orgão: Itaipu
Quanto ao uso do protocolo de controle de transmissão (TCP) na transmissão de dados, é correto afirmar que
Provas
Se dois microcontroladores diferentes que utilizam a mesma arquitetura de conjunto de instruções executarem o mesmo código em Assembly, então, esses microcontroladores
Provas
Considere que um gerador trifásico balanceado produza uma tensão de fase igual a 220 V e esteja ligado a uma carga trifásica equilibrada, com impedâncias iguais a 22 Ω, ligadas em triângulo. Nesse caso, admitindo-se √3 = 1,73, a tensão de linha e corrente de linha serão, respectivamente, iguais a
Provas
Se o número hexadecimal B2 for convertido para binário, então, o complemento de 2 desse número convertido será igual a
Provas
Em um conversor D/A do tipo escada binária de três bits e com resistência R = 1 Ω, o nível lógico 1 é representado pela tensão Vi = 5 V.
Nesse caso, se a entrada for o número binário 100, então, a tensão de saída será igual a
Provas
Na configuração porta-comum de um MOSFET, o terminal ligado ao terra, o terminal utilizado para receber o sinal de entrada e o terminal do qual se obtém o sinal de saída são, respectivamente,
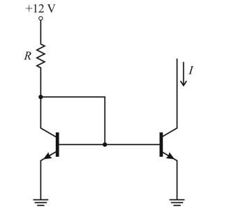
Provas

No circuito representado na figura precedente, se β = 50, VBE = 0,7 V e R = 2 kΩ, o valor da corrente I, em mA, será igual a
Provas
Em um sistema trifásico equilibrado ligado em estrela, com fases denominadas por A, B e C, se a carga conectada à fase A abrir, as correntes de linha nas fases B e C serão
Provas
Caderno Container