Foram encontradas 300 questões.
Após realizar as medições de resistividade do solo, foram obtidos os seguintes dados: solo com 3 camadas d1=3m,d2=7m e d3=5m, com as respectivas resistividades ρ1=255Ω, ρ2=120Ω e ρ3=1300Ω. A resistividade aparente desse solo é:
Provas
Considere o circuito da figura 3 com Pmax = 2500 W. O valor que o resistor RL deve possuir para que Pmax = 1450W é de:

Provas
Considere uma carga trifásica desequilibrada conectada a um sistema Y–Y a três fios. As impedâncias das cargas são Z1=45 ∠ 45°Ω, Z2=70 ∠ 60°Ω e Z3=150 ∠ 30°Ω e as tensões de fase são V1=220 ∠ 0°, V2=220 ∠ – 120° e V3=220 ∠ 120°. A potência complexa fornecida à carga é:
Considerar: VnN = 47,3 ∠ – 153,7° ou VnN = – 42,4 – j20,9; cos(120°)= – 0,5;cos(60°)=0,5;cos(45°)= 0,707; cos(30°)=0,866; sen(120°)=0,866; en(120°)= – 0,866;sen(60°)= 0,866;sen(45°) = 0,707;sen(30°)=0,5;
Provas
O software AutoCAD permite diferentes tipos de configurações entre o que é visto na tela e o que é impresso em pdf ou em papel. Essas configurações podem ser compartilhadas entre computadores/usuários, sendo necessárias para a correta plotagem dos arquivos. Essa configuração é conhecida como:
Provas
Podemos descrever a métrica de tempo até a falha como:
Provas
Um motor de indução trifásico de 25CV consome 45A e tem FP=0,75 atrasado. A tensão de alimentação é de 380V e as perdas no estator e no núcleo são de 6kW. Nesse contexto, a potência no entreferro é de:
Considerar: √3 = 1,73
Provas
Podemos classificar a direção do fluxo luminoso em:
Provas
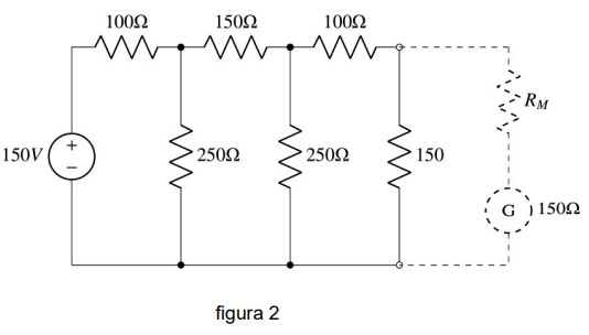
No circuito da figura 2, deseja-se medir a tensão no resistor R6 utilizando um galvanômetro de bobina móvel com calibre de 40mA e resistência interna de 150Ω. A escala utilizada no voltímetro é de 80 VCC. O erro que o galvanômetro apresentará em sua medida é de aproximadamente:

Provas
Um galpão de 350m² e com 12m de altura deve ser iluminado. Conside que o ambiente deve ter um iluminamento médio de 500 lux, que o fator de depreciação é de 0,72 e que o fator de utilização é de 0,65. A quantidade mínima de lâmpadas de 9.000lm para atender o fluxo luminoso, pelo método dos lumens, é de:
Provas
A potência média de uma carga monofásica com alimentação V=220 ∠ 30°, e corrente I=20 ∠ –15° é de:
Considerar: cos(-15°)=0,97; cos(30°)=0,87; sen(-15°)= - 0,26; sen(30°)=0,50
Provas
Caderno Container