Foram encontradas 40 questões.
Segundo a NBR5410/2008, para a utilização de dispositivos diferenciais-residuais no esquema TT, deve ser seguida a condição:
Considerar: RA= soma das resistências do eletrodo de aterramento e dos condutores de proteção [Ω]
I∆n= corrente diferencial residual nominal do dispositivo DR [A]
UL= tensão de contato limite [V]
Provas
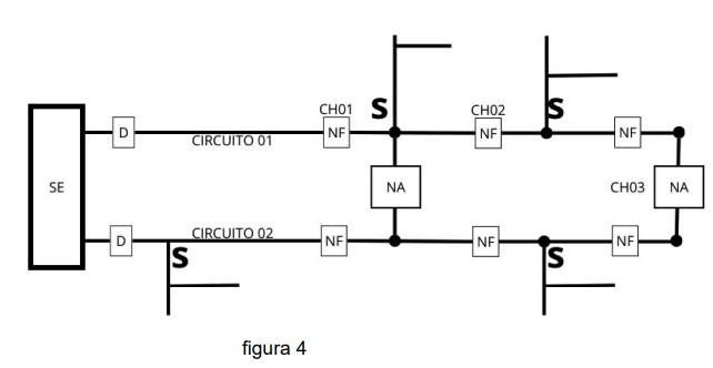
A topologia de rede de distribuição mostrada na figura 4 é conhecida como:

Provas
- Instalações Elétricas
- Proteção de Sistemas ElétricosProteção em Média Tensão
- Sistemas Elétricos de PotênciaDistribuição de Energia Elétrica
Os dispositivos de proteção contra curtos-circuitos de construção mais simples, encontrados em uma instalação de média tensão, são chamados de:
Provas
Um barramento de 36,5kV, contendo 6 cargas Q1=300kVA,Q2=250kVA,Q3=500kVA,Q4=450kVA,Q5= 112,5kVA e Q6=175kVA, terá conectado em sua ramificação um seccionador automático. O valor da corrente nominal do seccionador é:
Considerar: √3=1,73
Provas
- Instalações Elétricas
- Normas TécnicasNBRsNBR 5419: Sistema de Proteção contra Descargas Atmosféricas
Segundo a ABNT NBR 5419-3/2015, as fitas e as barras utilizadas como condutores de descida para o sistema de proteção contra descargas atmosféricas, quando utilizadas na vertical, devem ser fixadas a cada:
Provas
Após realizar as medições de resistividade do solo, foram obtidos os seguintes dados: solo com 3 camadas d1=3m,d2=7m e d3=5m, com as respectivas resistividades ρ1=255Ω, ρ2=120Ω e ρ3=1300Ω. A resistividade aparente desse solo é:
Provas
Considere o circuito da figura 3 com Pmax = 2500 W. O valor que o resistor RL deve possuir para que Pmax = 1450W é de:

Provas
Considere uma carga trifásica desequilibrada conectada a um sistema Y–Y a três fios. As impedâncias das cargas são Z1=45 ∠ 45°Ω, Z2=70 ∠ 60°Ω e Z3=150 ∠ 30°Ω e as tensões de fase são V1=220 ∠ 0°, V2=220 ∠ – 120° e V3=220 ∠ 120°. A potência complexa fornecida à carga é:
Considerar: VnN = 47,3 ∠ – 153,7° ou VnN = – 42,4 – j20,9; cos(120°)= – 0,5;cos(60°)=0,5;cos(45°)= 0,707; cos(30°)=0,866; sen(120°)=0,866; en(120°)= – 0,866;sen(60°)= 0,866;sen(45°) = 0,707;sen(30°)=0,5;
Provas
O software AutoCAD permite diferentes tipos de configurações entre o que é visto na tela e o que é impresso em pdf ou em papel. Essas configurações podem ser compartilhadas entre computadores/usuários, sendo necessárias para a correta plotagem dos arquivos. Essa configuração é conhecida como:
Provas
Podemos descrever a métrica de tempo até a falha como:
Provas
Caderno Container