Foram encontradas 769 questões.
A medição de grandezas é de fundamental importância para o correto funcionamento de plantas industriais automatizadas. A figura representa um tipo de medidor associado a qual tipo de medição?

Provas
Circuitos com diodo Zener são comumente aplicados a circuitos reguladores de tensão e geradores de referência mantendo uma tensão fixa. Na imagem, a tensão é fixa sobre a carga.

É correto afirmar que o valor de RS para que o diodo Zener não se danifique e funcione corretamente é:
Provas
O amplificador operacional tem como uma das principais características elétricas o controle do ganho de tensão (AV). No circuito da figura, supondo que todos os amplificadores operacionais são ideais, a tensão de saída Vo, em volts, é:

Provas
Prefixos são comumente utilizados em múltiplos e submúltiplos das unidades.
1024, 1018, 1012, 1009, 10−09
Sobre as bases representadas anteriormente, assinale a alternativa correta.
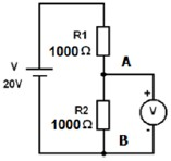
Provas
Sabendo-se que na escala de tensão contínua o voltímetro representado na figura possui impedância de 1000 !$ \Omega !$, o valor de tensão medido nos pontos A e B é:

Provas
O diodo possui muitas aplicações em circuitos eletrônicos, sejam em conversores CA-CC, como circuitos de proteção e referência de tensão. Sabendo-se que D1 é de germânio e D2 é de silício, o valor da corrente total é

Provas
Considerando os termos, relacione adequadamente as colunas.
1. Precisão.
2. Resolução.
3. Incerteza.
4. Exatidão.
( ) Menor variação da grandeza; medida que causa uma variação perceptível na indicação correspondente.
( ) Caracteriza resultados que possuem erros estatísticos pequenos, com pequenas dispersões em torno do valor médio verdadeiro.
( ) Grau de concordância entre o resultado de uma medição e um valor verdadeiro do mensurando.
( ) Dispersão dos valores atribuídos a um mensurando.
A sequência está correta em
Provas
O paquímetro é um instrumento usado para medir as dimensões lineares internas, externas e de profundidade de uma peça. O instrumento usado para medir dentes de engrenagens denomina-se paquímetro
Provas
“Algarismos significativos são todos aqueles que possuem um significado físico e fornecem a informação real do valor de uma grandeza. Sobre as regras de arredondamento, é correto afirmar que quando o algarismo seguinte ao último algarismo a ser conservado for , o último algarismo a ser conservado .”
Assinale a alternativa que completa correta e sequencialmente a afirmativa anterior.
Provas
Os resistores podem ser associados de diversos modos. Basicamente, existem dois modos distintos de associá-los: em série e paralelo. Qual o valor da resistência equivalente do paralelo de quatro resistores iguais de valor “R”?
Provas
Caderno Container