Foram encontradas 1.248 questões.

Provas
Questão presente nas seguintes provas
- Álgebra Booleana e Circuitos Lógicos
- Diagrama de Blocos
- Eletrônica Digital na Engenharia Eletrônica
- Sistemas de Controle
Um sistema dinâmico linear, causal e invariante no tempo, é modelado pela função de transferência G (s) =
, no SI. Deseja-se implementar um controlador proporcional para esse sistema, segundo o diagrama de blocos mostrado abaixo, em que X(s) e Y(s) representam a transformada de Laplace da entrada e da saída do sistema em malha fechada, respectivamente, e kp é o ganho

Considerando essas informações, assinale a opção que apresenta o valor do ganho kp de forma que a constante de tempo em malha fechada, no diagrama mostrado, seja de meio segundo.
, no SI. Deseja-se implementar um controlador proporcional para esse sistema, segundo o diagrama de blocos mostrado abaixo, em que X(s) e Y(s) representam a transformada de Laplace da entrada e da saída do sistema em malha fechada, respectivamente, e kp é o ganho
Considerando essas informações, assinale a opção que apresenta o valor do ganho kp de forma que a constante de tempo em malha fechada, no diagrama mostrado, seja de meio segundo.
Provas
Questão presente nas seguintes provas

Considerando-se as informações acima, é correto afirmar que ocorrerá a oscilação do circuito quando o deslocamento de fase provido pela malha RC for de
Provas
Questão presente nas seguintes provas

Provas
Questão presente nas seguintes provas

Provas
Questão presente nas seguintes provas

Provas
Questão presente nas seguintes provas

Provas
Questão presente nas seguintes provas

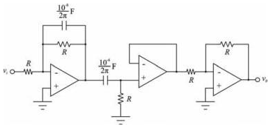
e todos os componentes são ideais. Nessa situação, se a tensão de entrada é
e a tensão de saída é
, é correto afirmar que o circuito se comporta como umProvas
Questão presente nas seguintes provas

Nas entradas v1 e v2 do amplificador de diferença ilustrado na figura, são aplicados os sinais a seguir.
v2 = 0,1sen (2π60t) + 0,001sen (2π2t) V
V1 = 0,1sen (2π60t) - 0,001sen (2π2t) V
Nessa situação, se, para esse amplificador, o ganho de modo diferencial for de 2.000 e o CMRR for 80 dB, então, a tensão de saída v0, em volts, será igual a
Provas
Questão presente nas seguintes provas

Provas
Questão presente nas seguintes provas
Cadernos
Caderno Container