Foram encontradas 1.410 questões.
A Norma Brasileira NBR 5410 (2004) – Instalações Elétricas de Baixa Tensão considera três tipos de aterramento. Sobre eles, analise:
I. O esquema TN possui um ponto da alimentação diretamente aterrado, estando as massas da instalação ligadas a eletrodos de aterramento eletricamente distintos do eletrodo de aterramento da alimentação.
II. O esquema TT possui um ponto de alimentação diretamente aterrado, sendo as massas ligadas a esse ponto através de condutores de proteção.
III. No esquema IT todas as partes vivas são isoladas da terra ou um ponto de alimentação é aterrado através de impedância.
É correto o que consta em
Provas
O disjuntor termomagnético possui dois disparadores, um térmico e um magnético, que atuam, respectivamente, nos casos de
Provas
A respeito dos equipamentos e componentes elétricos de uma planta industrial, aqueles mais sensíveis às variações de curta duração de energia são:
I. acionamento de velocidade variável;
II. microcomputadores;
III. controladores lógicos programáveis;
IV. contatores.
É correto o que consta em
Provas
Uma eficiente Gestão de Ativos de uma organização inclui
I. investimento em equipamentos de alta performance;
II. redundância de equipamentos;
III. curvas de tendência, através de monitoramento de ativos estratégicos nas plantas industriais;
IV. estabelecimento de critérios de projeto.
É correto o que consta em
Provas
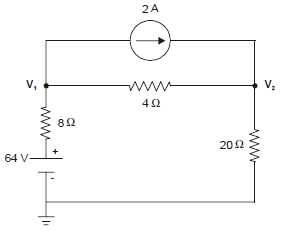
O circuito resistivo abaixo representado é alimentado por uma fonte de tensão CC e outra fonte de corrente constante.

Os valores das tensões sobre os nós assinalados por V1 e V2, respectivamente, em volts, são
Provas
Sobre a inspeção em fábrica de quadros de comando e cubículos, considere:
I. Os equipamentos para testes poderão ser de propriedade do fabricante dos quadros de comando e cubículos.
II. Os equipamentos para testes somente poderão ser de um laboratório independente e previamente credenciado pelo INMETRO.
III. Os relatórios dos ensaios de rotina deverão ser emitidos pelo fabricante do equipamento, mesmo que os resultados não atendam às prescrições mínimas das normas respectivas.
IV. Os relatórios dos ensaios de rotina não precisam ser emitidos pelo fabricante do equipamento se os resultados atenderem às prescrições mínimas das normas respectivas.
É correto o que consta em
Provas
A Norma Regulamentadora 10 (NR-10) − SEGURANÇA EM INSTALAÇÕES E SERVIÇOS EM ELETRICIDADE, estabelece os requisitos e condições mínimas necessárias à manutenção da segurança e à saúde dos trabalhadores que, direta ou indiretamente, interajam com serviços de eletricidade.
A respeito da NR-10, analise:
I. Procedimentos de trabalho devem ser específicos, padronizados, com descrição detalhada de cada tarefa, passo a passo, assinados por trabalhador qualificado.
II. A manutenção de esquemas unifilares atualizados das instalações elétricas é uma Medida de Controle que visa manter a segurança em locais de trabalho em que haja interação com eletricidade.
III. Procedimentos de trabalho apropriados devem estabelecer a sequência para a desenergização de uma instalação elétrica.
É correto o que consta em
Provas
Uma fonte trifásica simétrica alimenta uma carga trifásica equilibrada disposta nas configurações estrela e delta, conforme esquema representado abaixo.

Para que as potências solicitadas pela carga nas duas configurações sejam iguais, a tensão V da configuração estrela, em volts, deve ser de
Provas
Uma instalação elétrica teve os equipamentos danificados. Sabe-se que os circuitos terminais que alimentavam esses equipamentos estavam ligados a uma mesma fase. Um técnico constatou que o fio neutro do alimentador do quadro dos circuitos terminais estava rompido e que as cargas estavam desequilibradas.
A possível causa da queima dos equipamentos foi devido ao surgimento de
Provas
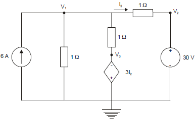
Analise o circuito abaixo representado.

Sobre o circuito, considere:
I. A potência fornecida pela fonte de 6 A é de 126 W.
II. A potência absorvida pela fonte de 30 V é de 272 W.
III. A potência fornecida pela fonte de 30 V é de 270 W.
IV. A potência fornecida pela fonte de 6 A é de 124 W.
É correto o que consta APENAS em
Provas
Caderno Container