Foram encontradas 566 questões.
De acordo com as novas normas contábeis brasileiras de contabilidade aplicáveis às demonstrações financeiras,
Provas
Questão presente nas seguintes provas
Segundo a Resolução CFC nº 1.272/2010, as contas do passivo da gestão operacional previdencial são constituídas por
Provas
Questão presente nas seguintes provas
Considere o sinal:

A série de Fourier desse sinal é caracterizada por:
| valor médio |
harmônicas | ordem |
||||
| nulo |
positivo | negativo | senoidais | cossenoidais | par | ímpar |
Provas
Questão presente nas seguintes provas
A figura abaixo representa um diagrama em linguagem LADDER:

A expressão lógica que o representa é:

A expressão lógica que o representa é:
Provas
Questão presente nas seguintes provas
Na fonte chaveada, o transistor que atua como chave é controlado por um sinal Vy modulado por um sinal Vx, conforme a representação abaixo:

O sinal Vy é do tipo

O sinal Vy é do tipo
Provas
Questão presente nas seguintes provas
Considere o circuito:

Especificações do FET:
PDmáx = 200 mW
VP = 8 V
IDSS = 6 mA
Para polarizar o FET com ID = 2 mA e VDS = 6 V, os resistores comerciais mais adequados são:
| RS (Ω) |
RD (Ω) |
Provas
Questão presente nas seguintes provas

Provas
Questão presente nas seguintes provas
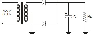
Analise o circuito abaixo:

Dados:
Transformador: 127 V x 6 + 6 V − 2 A
Diodos: 1N4004 − 1 A x 400 V
Capacitor: 1000 μF / 50 V
Para uma determinada carga resistiva, a tensão de saída tem um ripple pico a pico de 2 V. Nesse caso, a tensão média na carga vale, aproximadamente,
Provas
Questão presente nas seguintes provas
A NR-10 estabelece que somente serão consideradas desenergizadas as instalações elétricas liberadas para trabalho, mediante os procedimentos apropriados, obedecida a sequência indicada em:
I. constatação da ausência de tensão.
II. proteção dos elementos energizados existentes na zona controlada.
III. seccionamento.
IV. instalação da sinalização de impedimento de reenergização.
V. impedimento de reenergização.
VI. instalação de aterramento temporário com equipotencialização dos condutores dos circuitos.
I. constatação da ausência de tensão.
II. proteção dos elementos energizados existentes na zona controlada.
III. seccionamento.
IV. instalação da sinalização de impedimento de reenergização.
V. impedimento de reenergização.
VI. instalação de aterramento temporário com equipotencialização dos condutores dos circuitos.
Provas
Questão presente nas seguintes provas
Analise o circuito abaixo:

O valor aproximado de Vo é:

O valor aproximado de Vo é:
Provas
Questão presente nas seguintes provas
Cadernos
Caderno Container