Foram encontradas 1.128 questões.
A qualidade da solda é verificada pelo emprego de ensaios não-destrutivos sem danificar o produto.
Os melhores métodos não-destrutivos para detectar falhas e defeitos nas juntas soldadas estão relacionados a seguir, à exceção de um. Assinale-o.
Provas
Enumere corretamente os métodos de fabricação de pósmetálicos com os respectivos processos / conceitos.
1. Moagem
2. Atomização
3. Condensação
4. Decomposição Térmica
5. Redução
6. Eletrólise
( ) Sobre as carbonilas de ferro e níquel se faz passar uma corrente de CO a temperaturas e pressões determinadas, e, em seguida, são separados quando a pressão é reduzida e a temperatura é elevada. Utilizada em empregos especiais.
( ) Produz de forma pulverulenta por precipitação eletrolítica de soluções. Processo também bastante empregado.
( ) Processo químico que consiste na evaporação de um óxido do metal seguindo-se uma redução a vapor de zinco por parte do CO. Geralmente óxido de zinco.
( ) Reduz principalmente pós a partículas de menores dimensões, como o caso de carbonetos duros sinterizados. Bastante empregado na produção de metais e ligas friáveis.
( ) Força a liga, no estado líquido, a passar através de um orifício e desintegrar a corrente líquida formada, mediante jato de ar comprimido, vapor ou gás inerte, o que promove a solidificação do material em partículas finamente divididas. Produz os pós mais utilizados no processo da metalurgia do pó.
( ) Reduz pós a partículas de menores dimensões. Utiliza-se óxido que é moído até certa finura sob condições controladas de temperatura e pressão. Processo bastante usado na fabricação de tungstênio, molibdênio, ferro, cobre, níquel e cobalto.
Assinale a alternativa que apresenta a sequência correta, de cima para baixo.
Provas
Leia o fragmento a seguir.
“O equipamento de _____ Individual é todo dispositivo de uso _____ destinado a _____ e _____ a integridade física do trabalhador. Por isso, há vários tipos de EPI que estão destinados às _____ do trabalhador.”
Assinale a alternativa que completa as lacunas do fragmento acima.
Provas
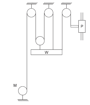
Leia as informações a seguir e responda à questão.
Na figura, observa-se um elevador W, pesando 10000N, partindo do térreo, em repouso, para o 9º andar, com aceleração constante.

O elevador é acionado por um motor elétrico M.
Sabendo que o contrapeso P pesa 500N, determine a potência necessária para realizar sua subida ao 9º andar.
Provas
Leia as informações a seguir e responda à questão.
Na figura, observa-se um elevador W, pesando 10000N, partindo do térreo, em repouso, para o 9º andar, com aceleração constante.

Despreze o peso das roldanas e considere 3,00 m a altura de um andar ao adjacente superior.
A aceleração do contrapeso P no instante de 10 segundos é de
Provas
Os revestimentos superficiais são utilizados para proteger os materiais metálicos do ataque corrosivo.
A técnica de tratamento superficial, que utiliza revestimento não metálico e inorgânico, é denominada
Provas
O volante consiste em um disco de 0,4m de diâmetro e pesa 1000N. O coeficiente de atrito entre a cinta e o volante é μ igual a 0,35. Presume-se que a relação de tração da cinta antes do volante T e tração após o volante P é dada por \( \dfrac {T} {P} = 5,3333 \mu. \)
Se a velocidade angular inicial do volante é 200 rpm no sentido horário, determine o módulo da força F necessário para parar o volante, após 20 revoluções.
Provas
Com relação aos modelos de gerenciamento de bacia hidrográfica, analise as afirmativas a seguir.
I. O Modelo Burocrático estabelece que o objetivo predominante do administrador público é cumprir e fazer cumprir os dispositivos legais. Tem como principais características a racionalidade e a hierarquização.
II. O Modelo Econômico Financeiro caracteriza-se pelo emprego de instrumentos econômicos e financeiros, ministrados pelo poder público, para promoção do desenvolvimento econômico nacional ou regional e indução à obediência das disposições legais vigentes.
III. O Modelo Sistêmico de Integração Participativa se caracteriza pela criação de uma estrutura sistêmica, na forma de matriz institucional de gerenciamento, responsável pela execução de funções gerenciais específicas, e pela adoção de três instrumentos: planejamento estratégico por bacia hidrográfica, tomada de decisão por meio de liberações multilaterais e descentralizadas e estabelecimento de instrumentos legais e financeiros.
Assinale:
Provas
Os instrumentos da Política Nacional de Recursos Hídricos, Lei n. 9.433/97, que visam assegurar água de boa qualidade à atual e às futuras gerações, são instrumentos de gestão de recursos hídricos.
Com relação a esses instrumentos, analise as afirmativas a seguir.
I. Os planos de recursos hídricos serão elaborados por bacia hidrográfica, por estado e para o país.
II. Um princípio básico para o funcionamento do Sistema de Informações sobre Recursos Hídricos é a centralização da obtenção e produção de dados e informações.
III. A cobrança pelo uso de recursos hídricos objetiva reconhecer a água como bem econômico e dar ao usuário uma indicação do seu real valor.
Assinale:
Provas
Com relação aos instrumentos para a aquisição de dados hidrológicos, assinale V para a afirmativa verdadeira e F para a falsa.
( ) O disco de Secchi é um tipo de equipamento de campo para medição de parâmetros de qualidade da água, utilizado para medir a condutividade elétrica da água.
( ) O ACDP (do inglês Acoustic Doppler Current Profiler) é um equipamento acústico muito útil na medição da velocidade da água, mas que não pode ser utilizado na presença de sedimento em suspensão.
( ) O disdômetro ótico é um tipo de sensor de precipitação que utiliza diodo lazer e fotodector para registrar o tamanho e a velocidade da passagem de gotas de chuva, em um volume de ar determinado, pelo feixe de raio laser.
As afirmativas são, respectivamente,
Provas
Caderno Container