Magna Concursos

Foram encontradas 1.130 questões.

534605 Ano: 2018
Disciplina: Engenharia Elétrica
Banca: FUNDEP
Orgão: INB
Provas:

Observe o circuito a seguir.

enunciado 534605-1

A impedância nos terminais A-B é igual a:

 

Provas

Questão presente nas seguintes provas
534604 Ano: 2018
Disciplina: Engenharia Elétrica
Banca: FUNDEP
Orgão: INB
Provas:
Analise o quadro a seguir, no qual foram listadas as características da utilização de um dos dispositivos de segurança nas instalações elétricas. • Locais com grande concentração de umidade. • Partes metálicas conectadas à terra que se tornem vivas. • Perigo de incêndio devido a faltas à terra. • Pessoas ou animais contra contatos acidentais com partes vivas. • Presença de falhas à terra em instalações em más condições de conservação. • Presença de faltas à terra provocadas por aparelhos eletrodomésticos. Nesse caso, o dispositivo utilizado é um:
 

Provas

Questão presente nas seguintes provas
534603 Ano: 2018
Disciplina: Engenharia Elétrica
Banca: FUNDEP
Orgão: INB

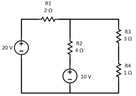
O circuito a seguir é formado por duas fontes de corrente contínua e 4 resistores.

enunciado 534603-1

Assinale a alternativa que contém o módulo do valor aproximado das tensões em volts nos resistores 3 e 4, respectivamente.

 

Provas

Questão presente nas seguintes provas
534602 Ano: 2018
Disciplina: Engenharia Elétrica
Banca: FUNDEP
Orgão: INB
Provas:

Analise, a seguir, os circuitos de carga e comando de um motor trifásico.

enunciado 534602-1

Nesse caso, o dispositivo de partida utilizado é uma chave:

 

Provas

Questão presente nas seguintes provas
534601 Ano: 2018
Disciplina: Engenharia Elétrica
Banca: FUNDEP
Orgão: INB
Análise as seguintes afirmativas sobre máquinas elétricas rotativas e assinale com V as verdadeiras e com F as falsas.
( )É possível controlar a velocidade de um motor de indução com rotor bobinado por meio do controle da alimentação do estator. ( )O princípio de funcionamento para motores CC é a indução eletromagnética e o enrolamento de armadura encontra-se no rotor. ( )O rotor é a parte de um motor ou gerador elétrico que se mantém fixa à carcaça e tem por função conduzir o fluxo magnético. ( )Geradores são máquinas elétricas que transformam energia mecânica em elétrica.
Assinale a sequência CORRETA.
 

Provas

Questão presente nas seguintes provas
534600 Ano: 2018
Disciplina: Engenharia Elétrica
Banca: FUNDEP
Orgão: INB
A ponte de Wheatstone básica fornece um meio de medir resistência com pequenas incertezas. A figura a seguir mostra uma fonte de corrente contínua (E) aplicada como entrada do nó A para o nó D.
enunciado 534600-1
Sob a condição de que o fluxo de corrente sob o galvanômetro (G) seja igual a zero, tem-se que:
 

Provas

Questão presente nas seguintes provas
534599 Ano: 2018
Disciplina: Engenharia de Automação
Banca: FUNDEP
Orgão: INB
Desde seu surgimento, a linguagem de programação Ladder se configurou com uma das linguagens de programação para controladores lógicos programáveis mais utilizadas na indústria. Em relação a essa linguagem, assinale a alternativa CORRETA.
 

Provas

Questão presente nas seguintes provas
534598 Ano: 2018
Disciplina: Engenharia de Automação
Banca: FUNDEP
Orgão: INB

Considere o circuito a seguir.

enunciado 534598-1

Assinale a alternativa que apresenta o valor para a resistência equivalente entre os terminais A e B do circuito.

 

Provas

Questão presente nas seguintes provas
534597 Ano: 2018
Disciplina: Engenharia de Automação
Banca: FUNDEP
Orgão: INB
O sistema decimal binário é o sistema de codificação numérica mais importante em sistemas digitais. Assinale a alternativa que apresenta o resultado da conversão decimal-binário para o número decimal 25.
 

Provas

Questão presente nas seguintes provas
534595 Ano: 2018
Disciplina: Engenharia de Automação
Banca: FUNDEP
Orgão: INB
Em ambientes industriais, a integração e comunicação entre diversos dispositivos eletrônicos de fabricantes distintos é um processo comum e necessário; para garantir a segurança e confiabilidade na transmissão das informações são utilizadas redes de automação. Considerando a rede que utiliza o protocolo Fieldbus, assinale a alternativa CORRETA.
 

Provas

Questão presente nas seguintes provas