Foram encontradas 80 questões.
Os triângulos ABC e DEF são equiláteros com lados iguais a m. A área da figura FHCG é igual à metade da área da figura ABHFG. Determine a equação da elipse de centro na origem e eixos formados pelos segmentos FC e GH.

Provas
Uma pirâmide regular possui como base um dodecágono de aresta a. As faces laterais fazem um ângulo de 15º com o plano da base. Determine o volume desta pirâmide em função de a.
Provas
As raízes cúbicas da unidade, no conjunto dos números complexos, são representadas por 1, w e w2, onde w é um número complexo. O intervalo que contém o valor de (1 – w )6 é:
Provas
Em um aeroporto existem 12 vagas numeradas de 1 a 12, conforme a figura. Um piloto estacionou sua aeronave em uma vaga que não se encontrava nas extremidades, isto é, distintas da vaga 1 e da vaga 12. Após estacionar, o piloto observou que exatamente 8 das 12 vagas estavam ocupadas, incluindo a vaga na qual sua aeronave estacionou. Determine a probabilidade de que ambas as vagas vizinhas a sua aeronave estejam vazias.
| 1 | 2 | 3 | .... | 10 | 11 | 12 |
Provas
Seja arcsenx + arcseny + arcsenz = !$ \dfrac{3π}{2} !$, onde x, y e z são números reais pertencentes ao intervalo
[-1,1]. Determine o valor de x100 + y100 + z100 - !$ \dfrac{9}{x^{101}\,+\,y^{101}\,+\,z^{101}} !$.
Provas
São dados os pontos P0 e P1 distantes 1 cm entre si. A partir destes dois pontos são obtidos os demais pontos Pn, para todo n inteiro maior do que um, de forma que:
. o segmento Pn P(n- 1) é 1 cm maior do que o segmento P(n- 1) P(n - 2); e
. o segmento Pn P(n- 1) é perpendicular a P0P(n - 1).
Determine o comprimento do segmento P0 P24
Provas
São dadas as matrizes quadradas inversíveis A , B e C , de ordem 3. Sabe-se que o determinante de C vale (4 - x), onde x é um número real, o determinante da matriz inversa de B vale -!$ \dfrac{1}{3} !$ e que (CAt)t= P-1BP, onde P é uma matriz inversível . sabendo que A=!$ \begin{pmatrix} 0 & 0 & 1 \\ 3 & x & 0\\1 & 0 & 0 \end{pmatrix} !$, determine os possíveis valores de x.
Provas

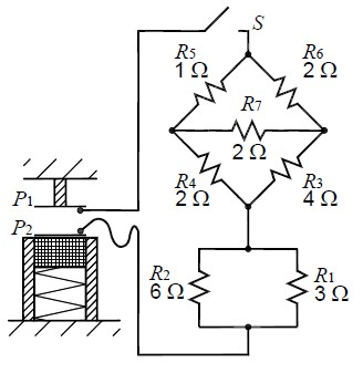
A figura apresenta uma placa positiva metálica P1, de massa desprezível, fixada no teto, que dista 10 cm de uma placa idêntica P2. Ambas constituem um capacitor de 16 pF, carregado com 32 pC. A placa P2 está colada em um bloco de madeira com massa m = 1 kg, mantido em repouso, encostado sobre uma mola não comprimida. Libera-se o movimento do bloco e, no instante que a compressão da mola é máxima, fecha-se a chave S. Sabe-se que nesse instante a potência dissipada em R2 é 2/3 W e que a aceleração da gravidade g = 10 m/s2. A constante da mola, em N/m, é
Provas
Seja F o conjunto cujos elementos são os valores de n!, onde n é um número natural. Se G é subconjunto de F que não contém elementos que são múltiplos de 27.209, determine o número de elementos do conjunto G.
Provas
As dimensões dos lados de um paralelepípedo reto retângulo, em, metros, valem a, b, c. sabe-se que a, b, c são raízes da equação 6x3 - 5x2 + 2x - 3 = 0. Determine, em metros, o comprimento da diagonal deste paralelepípedo.
Provas
Caderno Container